GB/T 26482-2011 止回阀 耐火试验
- 发表时间:2022-12-11
- 来源:共立欧宝网页版登录入口
- 人气:
1 范围
本标准规定了止回阀耐火试验的耐火试验方法、阀门性能要求、阀门评定。
本标准适用于石油管线用止回阀和井口装置用止回阀。
2 规范性引用文件
下列文件对于本文件的应用是必不可少的。凡是注日期的引用文件,仅注日期的版本适用于本文件。凡是不注日期的引用文件,其最新版本(包括所有的修改单)适用于本文件。
GB/T 12224 钢制阀门 一般要求(GB/T 12224-2005,ASTM B16.34a:1998,NEQ)
GB/T 19672 管线阀门 技术条件(GB/T 19672-2005,ISO 14313:1999,MOD)
SY/T 5127 井口装置和采油树规范
3 耐火试验方法
3.1 安全防护
止回阀的耐火试验是具有潜在危险的试验,被试止回阀在火烧时阀体腔内压力增加,有可能产生破裂。因此,在试验场地内应设置防护人身安全的保护措施。
3.2 试验要求
3.2.1 被试止回阀在正常的安装位置试验,用水做试验介质,应在其指定流向的反向端施加试验压力,保持到火烧结束。
3.2.2 试验的燃料应采用气体燃料,火源应有足够的能力使被试止回阀完全被火焰包裹。被试止回阀不得隔火保护。
3.2.3 火烧过程持续时间30min,火焰的温度应在761℃~980℃之间,火焰的温度由3.4.3所指定位置的热电偶和测温块进行监测。
3.2.4 火烧时,应观察阀门的情况。火烧结束后,同时检测阀门的内漏量和外漏量。
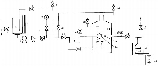
3.3 试验系统
止回阀耐火试验装置系统按图1所示。

说明:
1——试验泵;
2——压力泄放阀;
3——储水罐;
4——液位计;
5——供水阀;
6——截止阀;
7——压力表;
8——阻汽管;
9——燃料供给阀;
10——试验炉;
11——被试止回阀;
12——燃气火头;
13——火焰热电偶;
14——火焰测温块;
15——泄压阀;
16——截止阀;
17——排气阀;
18——冷凝器;
19——计量筒;
20——止回阀;
21——截止阀;
22——截止阀;
23——排气阀;
24——排气阀。
a)用泵作为压力源的试验系统

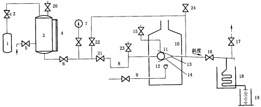
说明:
1——压缩气源;
2——气体压力调节阀;
3——储水罐;
4——液位计;
5——供水阀;
6——截止阀;
7——压力表;
8——阻汽管;
9——燃料供给阀;
10——试验炉;
11——被试止回阀;
12——燃气火头;
13——火焰热电偶;
14——火焰测温块;
15——泄压阀;
16——截止阀;
17——排气阀;
18——冷凝器;
19——计量筒;
20——泄压阀;
21——截止阀;
22——截止阀;
23——排气阀;
24——排气阀。
b)用压缩气体作为压力源的试验系统
图1 耐火试验系统图
3.4 试验装置
3.4.1 试验装置不应有外力施加在被试止回阀上。
3.4.2 试验炉与被试止回阀在各个方向的间隔应不小于150mm。火源距被试止回阀、热电偶和测温块的距离至少应为150mm。
3.4.3 公称尺寸不大于DN150或SY/T5127标准7%7/16 "的被试止回阀,应按图2或图4所示布置火焰热电偶和2个测温块。其他尺寸被试止回阀应按图3或图5所示布置火焰热电偶和3个测温块。
单位为毫米

图2 公称尺寸不大于DN 150法兰连接端止回阀的热电偶和测温块的位置
单位为毫米

图3 其他尺寸法兰连接端止回阀的热电偶和测温块的位置
以上为标准部分内容,如需看标准全文,请到相关授权网站购买标准正版。
- 2023-08-22欧宝网页版登录入口维修保养记录
- 2023-08-22欧宝网页版登录入口设施维修维护
- 2023-08-19欧宝网页版登录入口水池维修
- 2023-08-19欧宝网页版登录入口水炮维修
- 2023-08-19欧宝网页版登录入口线路维修
- 2023-08-19欧宝网页版登录入口维保服务系统
- 2023-08-19欧宝网页版登录入口主机维修维保大全
- 2023-08-19欧宝网页版登录入口维保作用
- 2023-08-18欧宝网页版登录入口维保工作联系单
- 2023-08-18欧宝网页版登录入口维保每年都要做吗
- 2023-08-18 欧宝网页版登录入口维保技术服务
- 2023-08-18欧宝网页版登录入口主板维修
- 2023-08-18欧宝网页版登录入口维保软件
- 2023-08-18欧宝网页版登录入口维保规章制度
- 2023-08-17欧宝网页版登录入口检测和维保
- 2023-08-17欧宝网页版登录入口维保检查
-
IG541混合气体灭火系统
IG541混合气体灭火系统:IG-541灭火系统采用的IG-541混合气体灭火剂是由大气层中的氮气(N2)、氩气(Ar)和二氧化碳(CO2)三种气体分别以52%、40%、8%的比例混合而成的一种灭火剂 -
二氧化碳气体灭火系统
二氧化碳气体灭火系统:二氧化碳气体灭火系统由瓶架、灭火剂瓶组、泄漏检测装置、容器阀、金属软管、单向阀(灭火剂管)、集流管、安全泄漏装置、选择阀、信号反馈装置、灭火剂输送管、喷嘴、驱动气体瓶组、电磁驱动 -
七氟丙烷灭火系统
七氟丙烷(HFC—227ea)灭火系统是一种高效能的灭火设备,其灭火剂HFC—ea是一种无色、无味、低毒性、绝缘性好、无二次污染的气体,对大气臭氧层的耗损潜能值(ODP)为零,是卤代烷1211、130 -
手提式干粉灭火器
手提式干粉灭火器适灭火时,可手提或肩扛灭火器快速奔赴火场,在距燃烧处5米左右,放下灭火器。如在室外,应选择在上风方向喷射。使用的干粉灭火器若是外挂式储压式的,操作者应一手紧握喷枪、另一手提起储气瓶上的


