GB/T 16430-2018 粉尘层最低着火温度测定方法
- 发表时间:2022-12-24
- 来源:共立欧宝网页版登录入口
- 人气:
1 范围
本标准规定了粉尘层最低着火温度测定的试样、试验装置、测定步骤和测定结果表述。
本标准适用于依赖空气中的氧维持其氧化反应的可燃性粉尘。
本标准不适用于火炸药或不依赖空气中的氧即可燃烧爆炸的物质。
2 规范性引用文件
下列文件对于本文件的应用是必不可少的。凡是注日期的引用文件,仅注日期的版本适用于本文件。凡是不注日期的引用文件,其最新版本(包括所有的修改单)适用于本文件。
GB/T 15604 粉尘防爆术语
3 术语和定义
GB/T 15604中界定的以及下列术语和定义适用于本文件。
3.1
粉尘层着火 ignition of dust layer
受试粉尘层发生无焰燃烧或有焰燃烧,或其温度达450℃及以上,或其温升达到或超过热表面温度250℃时的状态。
3.2
粉尘层最低着火温度 minimum ignition temperature of dust layer
在热表面上规定厚度的粉尘层着火时热表面的最低温度。
注:粉尘存在于多种工艺中,粉尘层着火取决于实际的工况,本标准不一定能代表所有工艺工况,例如粉尘层厚度和环境温度分布等因素。
3.3
着火时间 ignition time
从粉尘开始被加热到达到最高温度或者出现着火的时间。
4 试样
粉尘试样应制成均质的,并具有代表性。粉尘试样应能通过标称孔径75μm的金属网或方孔板试验筛。如果需要用较粗的粉尘进行试验,可通过标称孔径高达500μm的试验筛,并应在试验报告中说明试验筛筛孔尺寸。
在试样制备过程中,粉尘性质的任何明显的变化都应在试验报告中说明,例如筛分或温度、湿度引起的变化。
5 试验装置
5.1 结构
试验装置如图1所示。其主要结构的说明见附录A。

说明:
1——弹簧;
2——热电偶高度调节旋钮;
3——加热器底座;
4——热表面记录热电偶;
5——热表面;
6——加热器;
7——金属环;
8——裙边;
9——热表面控制热电偶;
10——加热器引出线;
11——粉尘层热电偶。
图1 试验装置示意图
5.2 热表面
5.2.1 热表面由直径不小于200mm、厚度不小于20mm的圆形金属平板制成。平板由电加热器加热,并由安装在平板内靠近平板中心的热电偶控制温度。热表面控制热电偶的接点在平板表面下(1±0.5)mm处,并与平板保持良好的热接触。
热表面记录热电偶以相同方法安装在热表面控制热电偶附近,并与温度记录仪相连,用以记录试验过程中的平板温度。
5.2.2 热表面和控制装置应满足以下性能要求:
a)无粉尘时,平板能达到400℃的最高温度。
b)试验期间,平板温度应保持恒定,其偏差在±5℃的范围内。
c) 平板温度达到恒定值后,整个平板温度分布应均匀。在平板设定温度为200℃和350℃时,按附录B的方法所测两正交直径上各设定点的温度,其偏差不应超过±5℃。
d) 温度控制装置应能保证平板温度在放置粉尘期间的变化不超过±5℃,从放置粉尘开始5min内应恢复到初始温度值的±2℃范围内。
5.3 粉尘层热电偶
将铬铝或其他材料的热电偶细丝(直径0.20mm~0.25mm)跨过平板上空拉紧,且平行于热表面,其接点处于热表面上2mm~3mm高的平板中心处,此热电偶应与温度记录仪相连,以记录试验期间粉尘层温度。
5.4 温度测量装置
温度测量装置应定期校准,其准确度应达到±3℃。
5.5 金属环
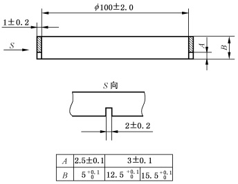
金属环如图2所示。直径方向上有两个豁口,粉尘层热电偶从豁口穿过。试验期间金属环应放在热表面上的适当位置,不得移动。
单位为毫米

图2 金属环
5.6 干扰
如果金属板(例如铝)或金属环与测试物质反应,则应选择另一种不反应的金属板或金属环。
以上为标准部分内容,如需看标准全文,请到相关授权网站购买标准正版。
- 2023-08-22欧宝网页版登录入口维修保养记录
- 2023-08-22欧宝网页版登录入口设施维修维护
- 2023-08-19欧宝网页版登录入口水池维修
- 2023-08-19欧宝网页版登录入口水炮维修
- 2023-08-19欧宝网页版登录入口线路维修
- 2023-08-19欧宝网页版登录入口维保服务系统
- 2023-08-19欧宝网页版登录入口主机维修维保大全
- 2023-08-19欧宝网页版登录入口维保作用
- 2023-08-18欧宝网页版登录入口维保工作联系单
- 2023-08-18欧宝网页版登录入口维保每年都要做吗
- 2023-08-18 欧宝网页版登录入口维保技术服务
- 2023-08-18欧宝网页版登录入口主板维修
- 2023-08-18欧宝网页版登录入口维保软件
- 2023-08-18欧宝网页版登录入口维保规章制度
- 2023-08-17欧宝网页版登录入口检测和维保
- 2023-08-17欧宝网页版登录入口维保检查
-
IG541混合气体灭火系统
IG541混合气体灭火系统:IG-541灭火系统采用的IG-541混合气体灭火剂是由大气层中的氮气(N2)、氩气(Ar)和二氧化碳(CO2)三种气体分别以52%、40%、8%的比例混合而成的一种灭火剂 -
二氧化碳气体灭火系统
二氧化碳气体灭火系统:二氧化碳气体灭火系统由瓶架、灭火剂瓶组、泄漏检测装置、容器阀、金属软管、单向阀(灭火剂管)、集流管、安全泄漏装置、选择阀、信号反馈装置、灭火剂输送管、喷嘴、驱动气体瓶组、电磁驱动 -
七氟丙烷灭火系统
七氟丙烷(HFC—227ea)灭火系统是一种高效能的灭火设备,其灭火剂HFC—ea是一种无色、无味、低毒性、绝缘性好、无二次污染的气体,对大气臭氧层的耗损潜能值(ODP)为零,是卤代烷1211、130 -
手提式干粉灭火器
手提式干粉灭火器适灭火时,可手提或肩扛灭火器快速奔赴火场,在距燃烧处5米左右,放下灭火器。如在室外,应选择在上风方向喷射。使用的干粉灭火器若是外挂式储压式的,操作者应一手紧握喷枪、另一手提起储气瓶上的


