GB/T 21476-2008 船舶与海上技术 软管组件的耐火性能 试验台要求
- 发表时间:2022-12-21
- 来源:共立欧宝网页版登录入口
- 人气:
1 范围
本标准规定了用于确定公称通径不小于100mm软管组件耐火性能按GB/T 21477规定的试验的试验台要求。暴露在火焰中时,能承受不大于10 bar的工作压力。
软管的播焰能力试验不能使用本标准规定的试验台。
试验介质只允许是水。为确保在试验期间如果软管破损的情况下操作人员和试验台的最大安全,禁止使用易燃试验介质。
2 规范性引用文件
下列文件中的条款通过本标准的引用而成为本标准的条款。凡是注日期的引用文件,其随后所有的修改单(不包括勘误的内容)或修订版均不适用于本标准,然而,鼓励根据本标准达成协议的各方研究是否可使用这些文件的最新版本。凡是不注日期的引用文件,其最新版本适用于本标准。
GB/T 21477 船舶与海上技术 软管组件的耐火性能 试验方法(GB/T 21477-2008,ISO 15540:1999,IDT)
IEC 60051-1:1984 直流作用显示、模拟电气测量装置及其附件 第1部分:所有部件的定义和通用要求
IEC 60051-1 修正案1号:1994
IEC 60051-1 修正案2号:1995
3 术语和定义
本标准采用下列术语和定义。
3.1
耐火 fire resistance
在标准的耐火试验中,组成构件、部件或结构的元件,在规定的时间内满足所要求的稳定性、完整性、热绝缘和/或其他预期的特定性能的能力。
4 要求
4.1 试验台部件
试验台应由下列部分构成(见图1):
——带有软管组件、燃烧器和排气总管连接设备的燃烧室(见4.2);
——带有调节和控制试验介质的设备的组合箱(见4.3);
——监控和记录试验进程的设备(见4.4);
——加压设备,在施加火焰的末期能给试件加载技术规范规定的试验压力(见4.5)。

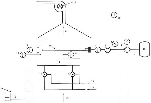
指示、测量、记录、控制和调整。
1——试件入口处水温表;
2——试件出口处水温表;
3——试件出口处下方的火焰温度计;
4——试件中部下方的火焰温度计;
5——流量计;
6——试验期间的工作压力表;
7——风扇:
8——排气口;
9——试件;
10——加热/冷却水箱;
11——燃烧器;
12——混合阀;
13——气体;
14——燃气;
15——空气;
16——压力试验泵;
17——试验持续计时器。
图1 试验台简图
4.2 燃烧室
4.2.1 概述
试件的连接应该布置在一定的操作高度(例如1100mm),能使带有最短500mm长的软管的软管组件进行试验。应提供稳定地向上流动的空气。空气供给的基本面积大约为0.6m2。
燃烧室的布置示例见图2。
单位为毫米

1——水温表;
2——火焰温度计;
3——流量计;
4——压力表;
5——扩散器;
6——排气总管;
7——节流阀;
8——试件;
9——水;
10——燃烧器支架;
11——水、燃烧残余滴落盘;
12——排气扇;
13——观察窗;
14——丙烷;
15——燃气;
16——燃烧器工作位置;
17——用于调节火焰的燃烧器一般位置;
18——燃烧器布置(6个单独的燃烧单元组成两种不同燃烧器的截面积示例)。
图2 燃烧室典型图
4.2.2 燃烧器
燃烧器的总截面积最小应为150mm×500mm。截面积可以由几个燃烧器单元的面积组成。
应使用每平方分米最少有20个喷嘴的燃烧器。
燃烧器应为扇叶型。
以上为标准部分内容,如需看标准全文,请到相关授权网站购买标准正版。
- 2023-08-22欧宝网页版登录入口维修保养记录
- 2023-08-22欧宝网页版登录入口设施维修维护
- 2023-08-19欧宝网页版登录入口水池维修
- 2023-08-19欧宝网页版登录入口水炮维修
- 2023-08-19欧宝网页版登录入口线路维修
- 2023-08-19欧宝网页版登录入口维保服务系统
- 2023-08-19欧宝网页版登录入口主机维修维保大全
- 2023-08-19欧宝网页版登录入口维保作用
- 2023-08-18欧宝网页版登录入口维保工作联系单
- 2023-08-18欧宝网页版登录入口维保每年都要做吗
- 2023-08-18 欧宝网页版登录入口维保技术服务
- 2023-08-18欧宝网页版登录入口主板维修
- 2023-08-18欧宝网页版登录入口维保软件
- 2023-08-18欧宝网页版登录入口维保规章制度
- 2023-08-17欧宝网页版登录入口检测和维保
- 2023-08-17欧宝网页版登录入口维保检查
-
IG541混合气体灭火系统
IG541混合气体灭火系统:IG-541灭火系统采用的IG-541混合气体灭火剂是由大气层中的氮气(N2)、氩气(Ar)和二氧化碳(CO2)三种气体分别以52%、40%、8%的比例混合而成的一种灭火剂 -
二氧化碳气体灭火系统
二氧化碳气体灭火系统:二氧化碳气体灭火系统由瓶架、灭火剂瓶组、泄漏检测装置、容器阀、金属软管、单向阀(灭火剂管)、集流管、安全泄漏装置、选择阀、信号反馈装置、灭火剂输送管、喷嘴、驱动气体瓶组、电磁驱动 -
七氟丙烷灭火系统
七氟丙烷(HFC—227ea)灭火系统是一种高效能的灭火设备,其灭火剂HFC—ea是一种无色、无味、低毒性、绝缘性好、无二次污染的气体,对大气臭氧层的耗损潜能值(ODP)为零,是卤代烷1211、130 -
手提式干粉灭火器
手提式干粉灭火器适灭火时,可手提或肩扛灭火器快速奔赴火场,在距燃烧处5米左右,放下灭火器。如在室外,应选择在上风方向喷射。使用的干粉灭火器若是外挂式储压式的,操作者应一手紧握喷枪、另一手提起储气瓶上的


