GB/T 8746-2009 纺织品 燃烧性能 垂直方向试样易点燃性的测定
- 发表时间:2022-11-23
- 来源:共立欧宝网页版登录入口
- 人气:
1 范围
本标准规定了纺织品垂直方向易点燃性的试验方法。
本标准适用于各类单层或多层(如涂层、绗缝、多层、夹层和类似组合)纺织织物及其产业用制品。
本标准适用于评定在实验室控制条件下,纺织织物与火焰接触时的性能。但可能不适用于空气供给不足的场合或在大火中受热时间过长的情况。
接缝对于织物燃烧性能的影响可以用该方法测定,接缝位于试样上,以承受试验火焰。只要可行,装饰件宜作为织物组合件的一部分进行试验。
2 规范性引用文件
下列文件中的条款通过本标准的引用而成为本标准的条款。凡是注日期的引用文件,其随后所有的修改单(不包括勘误的内容)或修订版均不适用于本标准,然而,鼓励根据本标准达成协议的各方研究是否可使用这些文件的最新版本。凡是不注日期的文件,其最新版本适用于本标准。
GB/T 3291.3 纺织 纺织材料性能和试验术语 第3部分:通用
GB/T 6529 纺织品 调湿和试验用标准大气(GB/T 6529-2008,ISO 139:2005,MOD)
3 定义
GB/T 3291.3确立的以及下列术语和定义适用于本标准。
3.1
点火时间 flame application time
点火源的火焰施加到试样上的时间。
3.2
续燃时间 afterflame time
在规定的试验条件下,移开点火源后材料持续有焰燃烧的时间。
注:续燃时间精确到整数,续燃时间小于1.0s宜记录为0。
3.3
点燃 ignition
燃烧开始。
3.4
持续燃烧 sustained combustion
续燃时间大于或等于5s,或者在5s内续燃到达顶部或垂直边缘。
3.5
最小点燃时间 minimum ignition time
在规定的试验条件下,材料暴露于点火源中获得持续燃烧所需的最短时间。
4 原理
用规定点火器产生的火焰,对垂直方向的试样表面或底边点火,测定从火焰施加到试样上至试样被点燃所需的时间,并计算平均值。
5 仪器
5.1 支承架
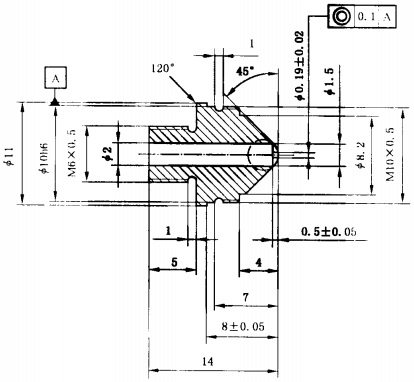
支承架应能使气体点火器(5.2,见图1)和试样框架(5.3,见图2)之间保持规定的相对位置(见图3)。
单位为毫米

a)气体点火器结构

b)气体喷嘴

c)火焰稳定器
图1 气体点火器
单位为毫米

d)点火器管
1——喷气嘴:
2——点火器管;
3——火焰稳定器;
4——阻气管;
5——槽口:
6——气体混合区;
7——扩散区;
8——气体室;
9——气体出口。
各部件之间组装紧密。
图1(续)

1——试样;
2——定位圆柱;
3——固定针。
图2 试样框架
以上为标准部分内容,如需看标准全文,请到相关授权网站购买标准正版。
- 2023-08-22欧宝网页版登录入口维修保养记录
- 2023-08-22欧宝网页版登录入口设施维修维护
- 2023-08-19欧宝网页版登录入口水池维修
- 2023-08-19欧宝网页版登录入口水炮维修
- 2023-08-19欧宝网页版登录入口线路维修
- 2023-08-19欧宝网页版登录入口维保服务系统
- 2023-08-19欧宝网页版登录入口主机维修维保大全
- 2023-08-19欧宝网页版登录入口维保作用
- 2023-08-18欧宝网页版登录入口维保工作联系单
- 2023-08-18欧宝网页版登录入口维保每年都要做吗
- 2023-08-18 欧宝网页版登录入口维保技术服务
- 2023-08-18欧宝网页版登录入口主板维修
- 2023-08-18欧宝网页版登录入口维保软件
- 2023-08-18欧宝网页版登录入口维保规章制度
- 2023-08-17欧宝网页版登录入口检测和维保
- 2023-08-17欧宝网页版登录入口维保检查
-
IG541混合气体灭火系统
IG541混合气体灭火系统:IG-541灭火系统采用的IG-541混合气体灭火剂是由大气层中的氮气(N2)、氩气(Ar)和二氧化碳(CO2)三种气体分别以52%、40%、8%的比例混合而成的一种灭火剂 -
二氧化碳气体灭火系统
二氧化碳气体灭火系统:二氧化碳气体灭火系统由瓶架、灭火剂瓶组、泄漏检测装置、容器阀、金属软管、单向阀(灭火剂管)、集流管、安全泄漏装置、选择阀、信号反馈装置、灭火剂输送管、喷嘴、驱动气体瓶组、电磁驱动 -
七氟丙烷灭火系统
七氟丙烷(HFC—227ea)灭火系统是一种高效能的灭火设备,其灭火剂HFC—ea是一种无色、无味、低毒性、绝缘性好、无二次污染的气体,对大气臭氧层的耗损潜能值(ODP)为零,是卤代烷1211、130 -
手提式干粉灭火器
手提式干粉灭火器适灭火时,可手提或肩扛灭火器快速奔赴火场,在距燃烧处5米左右,放下灭火器。如在室外,应选择在上风方向喷射。使用的干粉灭火器若是外挂式储压式的,操作者应一手紧握喷枪、另一手提起储气瓶上的


