GB/T 3000-2016 致密定形耐火制品 透气度试验方法
- 发表时间:2022-12-07
- 来源:共立欧宝网页版登录入口
- 人气:
1 范围
本标准规定了致密定形耐火制品透气度的试验方法,不定形耐火材料透气度的测定可参照本标准进行。
注:本标准规定的方法考虑了气体的动力粘度,因此所得到的结果与早期没有考虑气体粘度的测定结果无可比性。通常测定的是空气的透气度,需要时也可使用其他气体。本标准给出了空气和氮气的动力粘度。
2 规范性引用文件
下列文件对于本文件的应用是必不可少的。凡是注日期的引用文件,仅注日期的版本适用于本文件。凡是不注日期的引用文件,其最新版本(包括所有的修改单)适用于本文件。
GB/T 18930 耐火材料术语(GB/T 18930-2002,ISO 836:2001,MOD)
GB/T 21389 游标、带表和数显卡尺
3 术语和定义
GB/T 18930界定的以及下列术语和定义适用于本文件。
3.1
透气度 permeability to gases
在压差作用下材料允许气体通过的性能。
在给定时间内已知体积的气体通过试样,用式(1)计算透气度(μ)。

式中:
V——通过试样的气体体积,单位为立方米(m3);
t——气体通过试样的时间,单位为秒(s);
μ——试样的透气度,单位为平方米(m2);
η——试验温度下气体的动力粘度,单位为帕秒(Pa·s);
A——试样的横截面积,单位为平方米(m2);
δ——试样的高度,单位为米(m);
p——气体的绝对压力,单位为帕(Pa);
p1——气体进入试样端的绝对压力,单位为帕(Pa);
P2——气体逸出试样端的绝对压力,单位为帕(Pa)。
注1:式(1)与Darcy定律相一致,由 Hagen-Poiseuille定律导出。
注2:p是测定气体体积时气体的压力,在本测量装置中p=p1。
注3:通常(p1+p2)/2p非常接近于1,当p1-p2<1000Pa时该数可被忽略。
式(1)可改写为:

式(2)中透气度的单位是m2,由m3/s·pa·s·m/m2·1/pa·pa/pa推出。
如果式(1)中δ用cm,A用cm2,V用cm3为单位(其他单位不变),所得出的透气度单位为cm2。由于不允许使用复合前缀,常用的单位通常是m2,10-8cm2=10-12m2=1μm3。
4 原理
干燥的气体通过试样,记录试样两端至少在三个不同流量下的压差,根据测得的数值和试样的形状、尺寸计算试样的透气度。
5 设备
5.1 总则
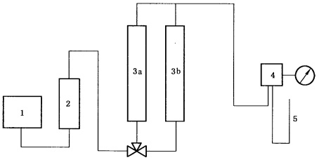
设备的总装配示意图见图1。连接管路用玻璃管优于橡胶管,管路应尽可能短,以使测量装置中的压力损失比试样产生的压力损失相比很小。

说明:
1——气源(压缩气瓶或储气罐);
2——气体干燥器;
3——流量计:(a)0cm3/min~200cm3/min,(b)200 cm3/min~1 500 cm3/min;
4——试样夹持器;
5——气体压力计。
图1 透气度测定装置示意图
5.2 气源
由一个带恒压装置的储气罐组成。
5.3 试样夹持器
具有试样周边的气体密封功能,气体的密封由橡胶套来完成,橡胶套能承受的气体压力为不小于0.2 MPa,见图2。

图2 试样夹持器
5.4 气体压力计
用来测量试样上下两端面的压力差,精度1%,应在靠近试样夹持器(见5.3)中紧靠试样的一个端面测量压力。
注:若在远离试样的气体连接管处测量压力,其值会偏低。
5.5 气体流量测量设备
流量计的精确度在2%以内,应经常用所用气体校准,并且只能用流量计测量范围的中间部分。
5.6 游标卡尺
按照GB/T 21389,分度值0.02mm。
5.7 干燥箱
温度能控制在(110±5)℃。
5.8 不透气的标准试样
例如金属铝圆柱体。
6 试样
6.1 尺寸
试样为直径50mm±0.5mm、高50mm±0.5mm的圆柱体,且轴线对端面的垂直度和试样两端面之间的平行度偏差均应在0.5mm以内。
6.2 制备
试样应先将样品表面切去4mm再制取,试样的制取方向与砖的压制方向的关系应在试验报告中说明。
切制试样时表面的灰尘应清除掉,可采用喷水法湿切,或用喷气法干切。
6.3 干燥
试样应在干燥箱(5.7)中于(110±5)℃干燥至恒量,即两次称量之差不大于0.2mg。测试前,试样应在干燥器中冷却至室温,冷却时间不应少于2h。
7 试验步骤
7.1 用不透气的标准试样(5.8)做空白试验,以证明试验装置是密封的、不漏气的。
7.2 用游标卡尺(5.6)测量试样的直径和高度,精确至0.1mm。
7.3 将试样装入夹持器(5.3)中,使橡胶套充气,确保橡胶套的压力足以使试样表面不漏气。可通过增加橡胶套的压力检查它的气密性,即增加压力时气体流量和试样两端的压差均应无变化。
7.4 至少在三个不同的压差下测定通过试样的气体流量,分别计算试样的透气度(见第8章)。注:由于计算公式(见第8章)仅对层流成立,这些检验需证实气体流量与压力成正比。
7.5 如果在三种压差下计算出的透气度与其平均值的偏差大于5%,需重新做空白试验、检查设备和重新试验。如果重新试验的偏差仍大于5%,则应在试验报告中注明。
以上为标准部分内容,如需看标准全文,请到相关授权网站购买标准正版。
- 2023-08-22欧宝网页版登录入口维修保养记录
- 2023-08-22欧宝网页版登录入口设施维修维护
- 2023-08-19欧宝网页版登录入口水池维修
- 2023-08-19欧宝网页版登录入口水炮维修
- 2023-08-19欧宝网页版登录入口线路维修
- 2023-08-19欧宝网页版登录入口维保服务系统
- 2023-08-19欧宝网页版登录入口主机维修维保大全
- 2023-08-19欧宝网页版登录入口维保作用
- 2023-08-18欧宝网页版登录入口维保工作联系单
- 2023-08-18欧宝网页版登录入口维保每年都要做吗
- 2023-08-18 欧宝网页版登录入口维保技术服务
- 2023-08-18欧宝网页版登录入口主板维修
- 2023-08-18欧宝网页版登录入口维保软件
- 2023-08-18欧宝网页版登录入口维保规章制度
- 2023-08-17欧宝网页版登录入口检测和维保
- 2023-08-17欧宝网页版登录入口维保检查
-
IG541混合气体灭火系统
IG541混合气体灭火系统:IG-541灭火系统采用的IG-541混合气体灭火剂是由大气层中的氮气(N2)、氩气(Ar)和二氧化碳(CO2)三种气体分别以52%、40%、8%的比例混合而成的一种灭火剂 -
二氧化碳气体灭火系统
二氧化碳气体灭火系统:二氧化碳气体灭火系统由瓶架、灭火剂瓶组、泄漏检测装置、容器阀、金属软管、单向阀(灭火剂管)、集流管、安全泄漏装置、选择阀、信号反馈装置、灭火剂输送管、喷嘴、驱动气体瓶组、电磁驱动 -
七氟丙烷灭火系统
七氟丙烷(HFC—227ea)灭火系统是一种高效能的灭火设备,其灭火剂HFC—ea是一种无色、无味、低毒性、绝缘性好、无二次污染的气体,对大气臭氧层的耗损潜能值(ODP)为零,是卤代烷1211、130 -
手提式干粉灭火器
手提式干粉灭火器适灭火时,可手提或肩扛灭火器快速奔赴火场,在距燃烧处5米左右,放下灭火器。如在室外,应选择在上风方向喷射。使用的干粉灭火器若是外挂式储压式的,操作者应一手紧握喷枪、另一手提起储气瓶上的


