GB/T 37796-2019 隔热耐火材料 导热系数试验方法(量热计法)
- 发表时间:2022-12-02
- 来源:共立欧宝网页版登录入口
- 人气:
1 范围
本标准规定了隔热耐火材料导热系数试验方法(量热计法)的原理、设备、试样制备、试验步骤、结果计算和试验报告。
本标准适用于耐火纤维及其制品、隔热定形制品等隔热耐火材料导热系数的测定。
2 规范性引用文件
下列文件对于本文件的应用是必不可少的。凡是注日期的引用文件,仅注日期的版本适用于本文件。凡是不注日期的引用文件,其最新版本(包括所有的修改单)适用于本文件。
GB/T 2998 定形隔热耐火制品体积密度和真气孔率试验方法
GB/T 8170 数值修约规则与极限数值的表示和判定
GB/T 16839.1 热电偶 第1部分:电动势规范和允差
GB/T 17911 耐火纤维制品试验方法
3 原理
根据傅里叶导热定律,当测试样品传热达到稳态时,单位时间内通过试样热面传递至冷面后被量热计吸收的热量,与试样垂直于热量传播方向的截面面积和温度梯度成正比。本标准测试时需要较大的温度梯度和稳态条件。
4 仪器设备
4.1 电热干燥箱
能控制温度在110℃±5℃。
4.2 天平
分度值0.1g。
4.3 导热系数测定仪
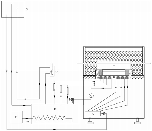
4.3.1 导热系数测定仪包括加热室、量热计、水循环系统、热电偶及仪表。导热系数测定仪结构示意图见图1。
4.3.2 加热室:见图2,在中性或氧化性气氛中加热室可按照一定升温曲线加热到并能稳定在1550℃±3℃。一块不小于342mm×228mm×25mm碳化硅均热板置于试样上方,碳化硅板342mm×228mm的面应平整。在量热计下,应设置一层至少25mm厚的隔热层。

说明:
A-分水器;
B-量热计:
C-加热室:
E-下水箱;
F-制冷系统;
G-上水箱。
D-水泵:
图1 导热系数测定仪结构示意图

说明:
A-保护砖;
B-均热板;
C-测试砖;
D-隔热层。
图2 加热室剖面图
4.3.3 量热计:由金属铜按照图3加工而成,量热计进水和出水通道布局应是依次相邻。量热计为76mm×76mm的正方形,有一个入水管接头和一个出水管接头。围绕着量热计有一个342mm×228mm的内防护套,具有两个入水管接头和两个出水管接头。外层护套从内层护套向侧面延伸51mm,垂直延伸至加热室底部(见图3)。量热计与内层护套应间隔0.8mm。
4.3.4 水循环系统:水循环系统供给量热计的水应恒压和恒温。进水静水压应不小于29.9kPa,进水水温应尽可能等于室温,温差在-1℃至+3℃之间,温度变化率不应超过0.5℃/h。通过调节阀稳定量热计进出水量,试验期间变化不超过±1%。
4.3.5 测定试样温度的热电偶及仪表:根据测量需要选用合适的K型或S型热电偶,且满足GB/T 16839.1的要求;用误差不大于±0.05mV的电位差计来测定热电偶的电动势。
4.3.6 测定量热计中水温升高的热电偶及仪表:应采用一种多对示差热电偶测量量热计的水温升高,其精度不低于流经量热计水温升高值的1%。热电偶至少要插入入口水管和出口水管内89mm,接点离量热计底部的距离不大于6mm。测量10对铜-康铜示差热电偶电动势时的电位计量程为0mV~2mV,仪表误差不大于±0.01mV。
4.3.7 测定量热计和内防护套之间温差的热电偶及仪表:经校正的10对铜-康铜示差热电偶放置在量热计和内防护套内,用于测量量热计和内防护套之间温差。试验期间,此温差不大于±0.03℃。测量热电偶电动势的电位计量程为0mV~2mV,仪表误差不大于±0.01mV。
以上为标准部分内容,如需看标准全文,请到相关授权网站购买标准正版。
- 2023-08-22欧宝网页版登录入口维修保养记录
- 2023-08-22欧宝网页版登录入口设施维修维护
- 2023-08-19欧宝网页版登录入口水池维修
- 2023-08-19欧宝网页版登录入口水炮维修
- 2023-08-19欧宝网页版登录入口线路维修
- 2023-08-19欧宝网页版登录入口维保服务系统
- 2023-08-19欧宝网页版登录入口主机维修维保大全
- 2023-08-19欧宝网页版登录入口维保作用
- 2023-08-18欧宝网页版登录入口维保工作联系单
- 2023-08-18欧宝网页版登录入口维保每年都要做吗
- 2023-08-18 欧宝网页版登录入口维保技术服务
- 2023-08-18欧宝网页版登录入口主板维修
- 2023-08-18欧宝网页版登录入口维保软件
- 2023-08-18欧宝网页版登录入口维保规章制度
- 2023-08-17欧宝网页版登录入口检测和维保
- 2023-08-17欧宝网页版登录入口维保检查
-
IG541混合气体灭火系统
IG541混合气体灭火系统:IG-541灭火系统采用的IG-541混合气体灭火剂是由大气层中的氮气(N2)、氩气(Ar)和二氧化碳(CO2)三种气体分别以52%、40%、8%的比例混合而成的一种灭火剂 -
二氧化碳气体灭火系统
二氧化碳气体灭火系统:二氧化碳气体灭火系统由瓶架、灭火剂瓶组、泄漏检测装置、容器阀、金属软管、单向阀(灭火剂管)、集流管、安全泄漏装置、选择阀、信号反馈装置、灭火剂输送管、喷嘴、驱动气体瓶组、电磁驱动 -
七氟丙烷灭火系统
七氟丙烷(HFC—227ea)灭火系统是一种高效能的灭火设备,其灭火剂HFC—ea是一种无色、无味、低毒性、绝缘性好、无二次污染的气体,对大气臭氧层的耗损潜能值(ODP)为零,是卤代烷1211、130 -
手提式干粉灭火器
手提式干粉灭火器适灭火时,可手提或肩扛灭火器快速奔赴火场,在距燃烧处5米左右,放下灭火器。如在室外,应选择在上风方向喷射。使用的干粉灭火器若是外挂式储压式的,操作者应一手紧握喷枪、另一手提起储气瓶上的


