GB/T 11785-2005 铺地材料的燃烧性能测定 辐射热源法
- 发表时间:2022-11-25
- 来源:共立欧宝网页版登录入口
- 人气:
1 范围
本标准规定了评定铺地材料燃烧性能的方法。该方法是在试验燃烧箱中,用小火焰点燃水平放置并暴露于倾斜的热辐射场中的铺地材料,评估其火焰传播能力。
本方法适用于各种铺地材料,如:纺织地毯、软木板、木板、橡胶板和塑料地板及地板喷涂材料。其结果可反映出铺地材料(包括基材)的燃烧性能。背衬材料、底层材料或者铺地材料其他方面的改变都可能影响试验结果。
本标准适用于测试和描述在受控的试验室条件下铺地材料的燃烧性能。它不是单独用来描述和评估铺地材料在实际火灾条件下的火灾危险性的方法。
附录B给出了本试验方法准确性的验证情况。
2 规范性引用文件
下列文件中的条款通过本标准的引用而成为本标准的条款。凡是注日期的引用文件,其随后所有的修改单(不包括勘误的内容)或修订版均不适用于本标准,然而,鼓励根据本标准达成协议的各方研究是否可使用这些文件的最新版本。凡是不注日期的引用文件,其最新版本适用于本标准。
EN 13238 建筑制品燃烧性能试验 状态调节程序和选取基材的一般规定
3 术语及定义
下列术语和定义适用于本标准。
3.1
辐射通量(kW/m2)heat flux(kW/m2)
单位面积的入射热,包括辐射热通量和对流热通量。
3.2
熄灭时的临界辐射通量(CHF) critical heat flux at extinguishment(CHF)
试件表面火焰停止传播并熄灭的位置所对应的辐射通量(kW/m2)。
3.3
X分钟的辐射通量(HF-X) heat flux at X min(HF-X)
试验开始x分钟时,试件上火焰传播最远距离处所对应的辐射通量(kW/m2)。
3.4
临界辐射通量 critical heat flux
火焰熄灭处的辐射通量(CHF)或试验30min时火焰传播到的最远位置处对应的辐射通量(HF-30),两者中的最低值(即火焰30 min内传播的最远距离处所对应的辐射通量)。
3.5
辐射通量分布曲线图 flux profile
辐射板表面自零点起各点的距离与辐射通量对应的关系曲线。
辐射通量曲线中的零点对应于试件夹具热端的内边缘。
3.6
持续火焰 sustained flaming
试件表面或上方出现的持续有焰燃烧超过4s的火焰。
3.7
火焰传播的距离 distance of flame spread
在规定的时间内,持续火焰沿着试件长度方向传播的最远距离。
3.8
铺地材料 flooring
铺设在地面的上表面,由背衬材料、随附的衬垫、中垫和/或粘结剂一起构成的表面装饰层。
3.9
基材 substrate
直接使用于产品下面并满足相应要求的材料。对铺地材料而言,就是指地面(地面上的铺设物)或代表地面的材料。
4 试验装置
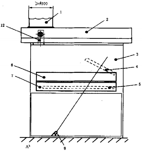
4.1 试验装置必须放在离墙和天花板至少0.4m的地方,图2到图5给出了装置的尺寸。试验箱由厚度(13±1)mm、标称密度650kg/m3的硅酸钙板和尺寸为(110±10)mmx(1100±100)mm的防火玻璃构成,防火玻璃安装在箱体前面,以便在试验过程中可以观察到整个试件的长度,试验箱的外面可以安装金属保护层。在观察窗口下方,安装一个可紧密关闭的门,由此能让试件平台移入或移出。
从试件夹具内边缘起,试件两侧应分别安装刻度间隔为50mm和10mm的钢尺。
4.2 试验箱下面由可滑动平台构成,它能严格地保证试件夹具处于固定的水平位置(图1)。在试验箱和试件夹具之间总的空气流通面积应是(0.23±0.03)m2,且平均分配于试件长边的两边。

1——照明装置;
2——排烟管道;
3——光接收器;
4——烟罩;
5——试验箱;
6——辐射板;
7——点火器喷出的引燃焰;
8——钢尺;
9——试件和试件夹具连同滑动平台;
10——试验箱下部的空气入口。
图1 试验装置透视图
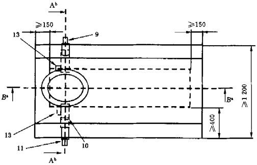
单位为毫米


1——排烟管道;
2——烟罩;
3——试验箱;
4——辐射板;
5——试件及试件夹具;
6——观察窗口;
7——试件进出门;
8——辐射高温计;
9——照明装置;
10——校准滤光片槽;
11——光接收器;
12——箱体烟道;
13——净化空气供给管。
a 图5为B-B剖视图。
b 图4为A-A剖视图。
图2 实验装置正视及俯视图
以上为标准部分内容,如需看标准全文,请到相关授权网站购买标准正版。
- 2023-08-22欧宝网页版登录入口维修保养记录
- 2023-08-22欧宝网页版登录入口设施维修维护
- 2023-08-19欧宝网页版登录入口水池维修
- 2023-08-19欧宝网页版登录入口水炮维修
- 2023-08-19欧宝网页版登录入口线路维修
- 2023-08-19欧宝网页版登录入口维保服务系统
- 2023-08-19欧宝网页版登录入口主机维修维保大全
- 2023-08-19欧宝网页版登录入口维保作用
- 2023-08-18欧宝网页版登录入口维保工作联系单
- 2023-08-18欧宝网页版登录入口维保每年都要做吗
- 2023-08-18 欧宝网页版登录入口维保技术服务
- 2023-08-18欧宝网页版登录入口主板维修
- 2023-08-18欧宝网页版登录入口维保软件
- 2023-08-18欧宝网页版登录入口维保规章制度
- 2023-08-17欧宝网页版登录入口检测和维保
- 2023-08-17欧宝网页版登录入口维保检查
-
IG541混合气体灭火系统
IG541混合气体灭火系统:IG-541灭火系统采用的IG-541混合气体灭火剂是由大气层中的氮气(N2)、氩气(Ar)和二氧化碳(CO2)三种气体分别以52%、40%、8%的比例混合而成的一种灭火剂 -
二氧化碳气体灭火系统
二氧化碳气体灭火系统:二氧化碳气体灭火系统由瓶架、灭火剂瓶组、泄漏检测装置、容器阀、金属软管、单向阀(灭火剂管)、集流管、安全泄漏装置、选择阀、信号反馈装置、灭火剂输送管、喷嘴、驱动气体瓶组、电磁驱动 -
七氟丙烷灭火系统
七氟丙烷(HFC—227ea)灭火系统是一种高效能的灭火设备,其灭火剂HFC—ea是一种无色、无味、低毒性、绝缘性好、无二次污染的气体,对大气臭氧层的耗损潜能值(ODP)为零,是卤代烷1211、130 -
手提式干粉灭火器
手提式干粉灭火器适灭火时,可手提或肩扛灭火器快速奔赴火场,在距燃烧处5米左右,放下灭火器。如在室外,应选择在上风方向喷射。使用的干粉灭火器若是外挂式储压式的,操作者应一手紧握喷枪、另一手提起储气瓶上的


