GB/T 20953-2007 农林拖拉机和机械 驾驶室内饰材料燃烧特性的测定
- 发表时间:2022-11-24
- 来源:共立欧宝网页版登录入口
- 人气:
1 范围
本标准规定了农林拖拉机和机械的驾驶室用内饰材料水平燃烧特性的试验方法。
鉴于各种驾驶室内饰零件实际情况(零件应用部位、布置方法、使用条件、引火源等)和本标准中规定的精确试验条件之间有许多差别,本标准不适用于评价内饰材料所有真实的驾驶室内燃烧特性。
2 规范性引用文件
下列文件中的条款通过本标准的引用而成为本标准的条款。凡是注日期的引用文件,其随后所有的修改单(不包括勘误的内容)或修订版均不适用于本标准,然而,鼓励根据本标准达成协议的各方研究是否可使用这些文件的最新版本。凡是不注日期的引用文件,其最新版本适用于本标准。
GB/T 1804 一般公差 未注公差的线性和角度尺寸的公差(GB/T 1804-2000,eqv ISO 2768-1:1989)
3 术语和定义
下列术语和定义适用于本标准。
3.1
燃烧速度 burning rate
按本标准规定测得的燃烧距离与燃烧此距离所用时间的比值。单位以mm/min表示。
3.2
层积复合材料 composite material
若干层相似或不同材料,其表面之间由烧结、粘结、覆层、焊接等不同方法使全面紧密结合在一起的材料。
若不同材料断续连结在一起(例如由缝纫、高频焊接、铆接),这种材料应认为不是层积复合材料。
3.3
暴露面 exposed side
零件装配在车内面向乘员的那一面。
4 操作方法
将试样水平地夹持在U形支架上,在燃烧箱中受规定的小能量小火焰点燃15s,火焰在试样的自由端点燃。试验确定火焰是否熄灭,或何时熄灭,以及试样燃烧的距离和燃烧该距离所用时间。
5 试验装置及器具
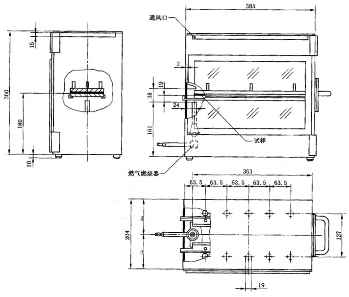
5.1 燃烧箱(见图1)用不锈钢钢板制成,尺寸见图2。燃烧箱的前部设有一个耐火玻璃观察窗,该窗可整块盖住前面,也可做成小型观察窗。
燃烧箱底部设有通风孔,四壁靠近顶部四周有通风槽。整个燃烧箱由4只高10mm的支脚支承着。
燃烧箱一端设有可将装有试样的支架放入可封闭的开孔,另一端则设一个小门,门上有通燃气管用的小孔。燃烧箱底部设有一只用于收集熔融滴落物的收集盘(见图3)。此盘放置在两排通风孔之间而又不影响通风孔的通风。

图1 燃烧箱(带试样支架和滴落物收集盘)
单位为毫米

公差按照GB/T 1804规定。
图2 燃烧箱
单位为毫米

公差按照GB/T 1804规定。
图3 典型的滴落物收集盘

如果没有其他要求,公差按照GB/T-1804规定。
图4 试样支架
5.2 试样支架由两块U形耐腐蚀金属板制成的框架组成,尺寸见图4。
支架下板装有若干个销子,上板相应设有销孔,以保证均匀夹持试样。销子也作为燃烧距离的起点(第一标线)和终点(第二标线)的标记。
另一种支架的下板不仅设有若干个销子,而且支架下板布有间距为25mm的耐热金属支承线,线径0.25mm(见图5)。
安装后的试样底面应在燃烧箱底板之上178mm,试样支架前端距燃烧箱的内表面距离应为22mm,试验支架两纵外侧离燃烧箱内表面距离为50mm(见图1和图2)。
5.3 燃气燃烧器为试验用火源,燃烧器喷嘴内径为9.5mm。当燃烧器置于燃烧箱内时,其喷嘴头部中心处于试样自由端中心以下19mm处(见图2)。
5.4 供给燃气燃烧器试验用可燃性气体燃烧后的热值约为38MJ/m3(例如天然气)。
以上为标准部分内容,如需看标准全文,请到相关授权网站购买标准正版。
- 2023-08-22欧宝网页版登录入口维修保养记录
- 2023-08-22欧宝网页版登录入口设施维修维护
- 2023-08-19欧宝网页版登录入口水池维修
- 2023-08-19欧宝网页版登录入口水炮维修
- 2023-08-19欧宝网页版登录入口线路维修
- 2023-08-19欧宝网页版登录入口维保服务系统
- 2023-08-19欧宝网页版登录入口主机维修维保大全
- 2023-08-19欧宝网页版登录入口维保作用
- 2023-08-18欧宝网页版登录入口维保工作联系单
- 2023-08-18欧宝网页版登录入口维保每年都要做吗
- 2023-08-18 欧宝网页版登录入口维保技术服务
- 2023-08-18欧宝网页版登录入口主板维修
- 2023-08-18欧宝网页版登录入口维保软件
- 2023-08-18欧宝网页版登录入口维保规章制度
- 2023-08-17欧宝网页版登录入口检测和维保
- 2023-08-17欧宝网页版登录入口维保检查
-
IG541混合气体灭火系统
IG541混合气体灭火系统:IG-541灭火系统采用的IG-541混合气体灭火剂是由大气层中的氮气(N2)、氩气(Ar)和二氧化碳(CO2)三种气体分别以52%、40%、8%的比例混合而成的一种灭火剂 -
二氧化碳气体灭火系统
二氧化碳气体灭火系统:二氧化碳气体灭火系统由瓶架、灭火剂瓶组、泄漏检测装置、容器阀、金属软管、单向阀(灭火剂管)、集流管、安全泄漏装置、选择阀、信号反馈装置、灭火剂输送管、喷嘴、驱动气体瓶组、电磁驱动 -
七氟丙烷灭火系统
七氟丙烷(HFC—227ea)灭火系统是一种高效能的灭火设备,其灭火剂HFC—ea是一种无色、无味、低毒性、绝缘性好、无二次污染的气体,对大气臭氧层的耗损潜能值(ODP)为零,是卤代烷1211、130 -
手提式干粉灭火器
手提式干粉灭火器适灭火时,可手提或肩扛灭火器快速奔赴火场,在距燃烧处5米左右,放下灭火器。如在室外,应选择在上风方向喷射。使用的干粉灭火器若是外挂式储压式的,操作者应一手紧握喷枪、另一手提起储气瓶上的


