GB/T 10707-2008 橡胶燃烧性能的测定
- 发表时间:2022-11-24
- 来源:共立欧宝网页版登录入口
- 人气:
1 范围
本标准规定了在实验室环境下测定橡胶燃烧性能的两种方法:氧指数法(方法A)和垂直燃烧法(方法B)。
本标准适用于在实验室环境下评定橡胶材料的燃烧性能及阻燃性能,不适用于评定实际使用条件下橡胶材料的着火危险性。
2 规范性引用文件
下列文件中的条款通过本标准的引用而成为本标准的条款。凡是注日期的引用文件,其随后所有的修改单(不包括勘误的内容)或修订版均不适用于本标准,然而,鼓励根据本标准达成协议的各方研究是否可使用这些文件的最新版本。凡是不注日期的引用文件,其最新版本适用于本标准。
GB/T 2941-2006 橡胶物理试验方法试样制备和调节通用程序(ISO 23529:2004,IDT)
GB/T 3863 工业用氧
GB/T 3864 工业氮
HG/T 3095 橡胶火焰试验术语
3 术语和定义
HG/T 3095确立的以及下列术语和定义适用于本标准。
3.1
氧指数 oxygen index
在规定的试验条件下,在23℃±2℃的氧和氮混合气流中,维持橡胶材料燃烧的最低氧浓度(用体积分数表示)。
4 方法A-氧指数法
4.1 试验原理
试样垂直地支撑在一个透明的燃烧筒内,燃烧筒内有向上流动的氧和氮的混合气体,点燃试样的上端,然后观察燃烧现象,并与规定的限度值比较燃烧持续时间或燃烧长度。通过在不同的氧浓度中试验,可测得维持材料燃烧的最低氧浓度。试验的试样中要有50%超过规定的燃烧持续时间或燃烧长度。
4.2 试验装置
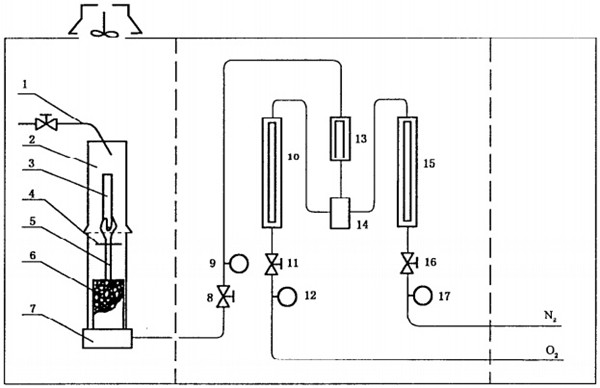
试验装置见图1。
4.2.1 燃烧筒:一只能直立于底座之上的耐热透明玻璃筒,其内径为75mm,总高度为450mm,以保证筒内的气流速度为40mm/s±10mm/s。筒内底座上装有试样支架,并有引入氧氮混合气体的导管,试样支架的下部应装一片金属网。燃烧筒底部应填充直径为3mm~5mm的玻璃球,填充高度80mm~100mm。
注:也可以采用其他尺寸的燃烧筒,但燃烧筒尺寸不同所得出的氧指数的值可能会有差异,宜在试验报告中注明。
4.2.2 试样支架:在燃烧筒轴心位置竖直地夹持试样的夹子。
4.2.3 气源:氧气应符合GB/T 3863的要求;氮气应符合GB/T 3864的要求。
4.2.4 气体测量和控制系统:由压力表、调节阀、转子流量计(氧、氮转子流量计的最小刻度为0.05 L/min)等组成。

1——点火器;
2——燃烧简;
3——试样;
4——金属网;
5——试样支架;
6——玻璃球;
7——底座;
8——混合气体调节阀;
9——混合气体压力表;
10——氧气流量计;
11——氧气调节阀;
12——氧气压力表;
13——混合气体流量计;
14——氧氮混合器;
15——氮气流量计;
16——氮气调节阀;
17——氮气压力表。
图1 试验装置示意图
4.2.5 点火器:一根仲入燃烧筒内点燃试样的管子,其喷嘴直径为2mm±1mm。燃气可根据情况选用丙烷、丁烷、液化石油气、天然气等。燃烧时从喷嘴垂直向下喷出的火焰长度为16mm±4mm。
4.2.6 计时器:最小刻度值为0.1s的秒表或其他相当的计时装置。
4.2.7 测长量具:最小刻度值为1mm不锈钢直尺。
4.2.8 通风系统:为排除试验中产生的烟雾和有害气体,试验应在通风柜内进行,但试验过程中不能开抽风机,以免影响燃烧筒内的气流速度。
4.3 试样
4.3.1 试样尺寸为长80 mm~150 mm,宽6.5 mm±0.5mm,厚3mm±0.25 mm。
4.3.2 试样的制备和调节应按GB/T 2941-2006的要求进行。
4.3.3 为了便于测量试样的燃烧长度,在距试样点火端50mm处作一标记。
4.3.4 对已知氧指数值相差在±2范围内的橡胶材料,应准备15个试样;对未知氧指数或具有不稳定燃烧特性的橡胶材料,准备15个~30个试样。
4.4 试验步骤
4.4.1 检查试验装置,确保完好。燃烧筒应安放垂直,在筒中央的试样支架上垂直夹好试样,试样顶端距离筒口至少100mm。
4.4.2 根据经验或试样在空气中燃烧的情况,估计开始试验时的氧浓度。试样在空气中迅速燃烧,氧浓度(体积分数)估计为18%;在空气中缓慢或不稳定燃烧,估计为21%;在空气中不着火,至少估计为25%。氧浓度的计算公式见附录A。
4.4.3 按4.4.2确定氧浓度后,调好氧氮混合气体流量(氧气和氮气流量参见附录B),并让其在燃烧筒中至少流动30s,以除去燃烧筒中的空气。每个试样试验前都应重复此过程,以保证燃烧筒中的气流量在试验的点火和燃烧过程中不发生变化。在点火和燃烧过程中,不应改变气流速度和氧氮气体浓度。
4.4.4 点燃点火器,将火焰调到规定的长度,把点火器喷嘴伸人燃烧筒内。让火焰充分接触试样顶端表面,但不能与侧面接触。施加火焰时间不超过30s,其间每隔5s移开点火器观察一次,看试样是否被点燃。如果试样整个顶端面都燃烧起来,就认为试样已被点燃,立即开始计时,或测量燃烧长度。
4.4.5 燃烧特性按下面要求评定:
4.4.5.1 若试样燃烧时间不到180s或燃烧不到50mm标记处火焰白熄,记作特征“0”,并记录此时的燃烧时间和燃烧长度。
4.4.5.2 若试样燃烧时间超过180s或燃烧超过50mm标记处,记作特征“x”,并将试样熄灭。
4.4.5.3 如有熔滴、结炭、不稳定燃烧、阴燃等现象,也作为燃烧特征加以记录。
4.4.6 为继续试验需要选择下一个氧浓度。应按这样的原则来选择氧浓度:若得到“0”特征,应增加氧浓度;若得到“x”特征,应降低氧浓度。
4.4.7 用适当的级差改变氧浓度,重复4.4.4~4.4.6的操作,直到有一对“0”和“x”特征的氧浓度相差小于或等于1。这两个相反的特征不一定是连续出现的(参见附录C中C.1),“0”特征的氧浓度不一定比“x”特征的低。用这一对特征中“0”的相应氧浓度作为初始氧浓度。
4.4.8 用由4.4.7得到的初始氧浓度,重复4.4.4~4.4.6的操作,试验1个试样,记录所用的氧浓度和特征作为第一个结果。
4.4.9 取氧浓度级差d=0.2%,重复4.4.4~4.4.6的操作,直到得出与第一个结果相反的特征为止。记录这些特征和相应的氧浓度。
4.4.10 保持d=0.2%,重复4.4.4~4.4.6的操作,再试验4个试样,记录每个试样所用的氧浓度及其特征,并指定用于最后1个试样的氧浓度为最终氧浓度c。将这4个特征和4.4.9中得到的最后1个特征排列到一起,以便确定k值。
4.4.11 计算最后6个试样所用的氧浓度(包括cf)的估计标准差σ(见4.5.3),如果下列关系成立:
2/3σ<d<3/2σ
则按4.5.1计算的氧指数结果可信,否则:
若d<2/30,增加d值,重复4.4.9~4.4.11的操作,到条件满足为止;
若d>3/20,当d-0.2%,认为氧指数结果可信。但当d>0.2%,则减少d值,重复4.4.0-4.4.11的操作,到条件满足为止。
4.5 结果的计算
4.5.1 氧指数(OI)
氧指数(OD)的计算见公式(1):
OI=cf + kd (1)
式中:
OI——用体积分数表示的氧指数,计算中保留两位小数,报告中只保留一位小数;
cf——用体积分数表示的最终氧浓度,保留一位小数;
k——系数,确定方法见4.5.2;
d——用体积分数表示的氧浓度级差,保留一位小数。
以上为标准部分内容,如需看标准全文,请到相关授权网站购买标准正版。
- 2023-08-22欧宝网页版登录入口维修保养记录
- 2023-08-22欧宝网页版登录入口设施维修维护
- 2023-08-19欧宝网页版登录入口水池维修
- 2023-08-19欧宝网页版登录入口水炮维修
- 2023-08-19欧宝网页版登录入口线路维修
- 2023-08-19欧宝网页版登录入口维保服务系统
- 2023-08-19欧宝网页版登录入口主机维修维保大全
- 2023-08-19欧宝网页版登录入口维保作用
- 2023-08-18欧宝网页版登录入口维保工作联系单
- 2023-08-18欧宝网页版登录入口维保每年都要做吗
- 2023-08-18 欧宝网页版登录入口维保技术服务
- 2023-08-18欧宝网页版登录入口主板维修
- 2023-08-18欧宝网页版登录入口维保软件
- 2023-08-18欧宝网页版登录入口维保规章制度
- 2023-08-17欧宝网页版登录入口检测和维保
- 2023-08-17欧宝网页版登录入口维保检查
-
IG541混合气体灭火系统
IG541混合气体灭火系统:IG-541灭火系统采用的IG-541混合气体灭火剂是由大气层中的氮气(N2)、氩气(Ar)和二氧化碳(CO2)三种气体分别以52%、40%、8%的比例混合而成的一种灭火剂 -
二氧化碳气体灭火系统
二氧化碳气体灭火系统:二氧化碳气体灭火系统由瓶架、灭火剂瓶组、泄漏检测装置、容器阀、金属软管、单向阀(灭火剂管)、集流管、安全泄漏装置、选择阀、信号反馈装置、灭火剂输送管、喷嘴、驱动气体瓶组、电磁驱动 -
七氟丙烷灭火系统
七氟丙烷(HFC—227ea)灭火系统是一种高效能的灭火设备,其灭火剂HFC—ea是一种无色、无味、低毒性、绝缘性好、无二次污染的气体,对大气臭氧层的耗损潜能值(ODP)为零,是卤代烷1211、130 -
手提式干粉灭火器
手提式干粉灭火器适灭火时,可手提或肩扛灭火器快速奔赴火场,在距燃烧处5米左右,放下灭火器。如在室外,应选择在上风方向喷射。使用的干粉灭火器若是外挂式储压式的,操作者应一手紧握喷枪、另一手提起储气瓶上的


