GB/T 14089-1993 船用卤代烷灭火装置
- 发表时间:2022-11-15
- 来源:共立欧宝网页版登录入口
- 人气:
1 主题内容与适用范围
本标准规定了船用卤代烷1211和卤代烷1301灭火装置的组成、部件分类、技术要求、试验方法和验收规则等。
本标准适用于船用卤代烷1211和卤代烷1301灭火装置。
2 引用标准
GB 308 滚动轴承 钢球
GB 708 冷轧钢板和钢带的尺寸、外形、重量及允许偏差
GB 908 锻制圆钢和方钢尺寸、外形、重量及允许偏差
GB 1220 不锈钢棒
GB 1226 一般压力表
GB 1527 拉制铜管
GB 2066 锡青铜带
GB 2270 不锈钢无缝钢管
GB 3032 船舶管路附件的标志
GB 3077 合金结构钢 技术条件
GB 3124 锡青铜线
GB 4065 二氟一氯一溴甲烷灭火剂
GB 4426 复杂黄铜棒
GB 4429 铝青铜棒
GB 6051 三氟一溴甲烷灭火剂(1301灭火剂)
GB 7039 往复运动用密封圈胶料
GB/T 14088 船用卤代烷灭火系统技术条件
CB* 56 管子平肩螺纹接头
CB 773 结构钢锻件技术条件
CB* 822 高压管子螺纹接头
CB 862.1~862.2 有色金属锻件技术条件
CB 893 高压空气瓶
CB 1146.2 船舶设备环境试验方法 试验A:低温
CB 1146.3 船舶设备环境试验方法 试验B:高温
CB 1146.5 船舶设备环境试验方法 试验 Db:交变湿热
CB 1146.6 船舶设备环境试验方法 试验Ea:冲击
CB 1146.7 船舶设备环境试验方法 试验Eb:碰撞
CB 1146.8 船舶设备环境试验方法 试验Ee:倾斜和摇摆
CB 1146.9 船舶设备环境试验方法 试验Fc:振动
CB 1146.11 船舶设备环境试验方法 试验J:长霉
CB 1146.12 船舶设备环境试验方法 试验Ka:盐雾
CB 1146.15 船舶设备环境试验方法 试验R:外壳防水
JB 889 3725-1酚醛层压布棒
3 组成
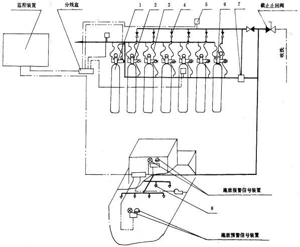
3.1 船用卤代烷灭火装置的组成按图1、图2。

图1 船用卤代烷灭火装置的组成(不带施放装置)
1-灭火剂容器;2一容器阀;3一金属挠性接管;4一止回阀;5一压力信号发送器;6-注入测压阀;7-液控单向阀;8-喷嘴

图2 船用卤代烷灭火装置的组成(带施放装置)
1-灭火剂容器;2一容器阀;3-金属挠性接管;4一止回阀;5一压力信号发送器;6-注入测压阀;7-喷嘴;8一施放装置
4 部件分类
4.1 灭火剂容器
4.1.1 灭火剂容器的类型:
A型——电引爆、气动、人力机械三种操作方式的灭火剂容器;
B型——电引爆、人力机械两种操作方式的灭火剂容器;
C型——气动、人力机械两种操作方式的灭火剂容器。
4.1.2 灭火剂代号:
F——卤代烷1211灭火剂;
N——卤代烷1301灭火剂。
4.1.3 灭火剂容器的基本参数按表1。
以上为标准部分内容,如需看标准全文,请到相关授权网站购买标准正版。
- 2023-08-22欧宝网页版登录入口维修保养记录
- 2023-08-22欧宝网页版登录入口设施维修维护
- 2023-08-19欧宝网页版登录入口水池维修
- 2023-08-19欧宝网页版登录入口水炮维修
- 2023-08-19欧宝网页版登录入口线路维修
- 2023-08-19欧宝网页版登录入口维保服务系统
- 2023-08-19欧宝网页版登录入口主机维修维保大全
- 2023-08-19欧宝网页版登录入口维保作用
- 2023-08-18欧宝网页版登录入口维保工作联系单
- 2023-08-18欧宝网页版登录入口维保每年都要做吗
- 2023-08-18 欧宝网页版登录入口维保技术服务
- 2023-08-18欧宝网页版登录入口主板维修
- 2023-08-18欧宝网页版登录入口维保软件
- 2023-08-18欧宝网页版登录入口维保规章制度
- 2023-08-17欧宝网页版登录入口检测和维保
- 2023-08-17欧宝网页版登录入口维保检查
-
IG541混合气体灭火系统
IG541混合气体灭火系统:IG-541灭火系统采用的IG-541混合气体灭火剂是由大气层中的氮气(N2)、氩气(Ar)和二氧化碳(CO2)三种气体分别以52%、40%、8%的比例混合而成的一种灭火剂 -
二氧化碳气体灭火系统
二氧化碳气体灭火系统:二氧化碳气体灭火系统由瓶架、灭火剂瓶组、泄漏检测装置、容器阀、金属软管、单向阀(灭火剂管)、集流管、安全泄漏装置、选择阀、信号反馈装置、灭火剂输送管、喷嘴、驱动气体瓶组、电磁驱动 -
七氟丙烷灭火系统
七氟丙烷(HFC—227ea)灭火系统是一种高效能的灭火设备,其灭火剂HFC—ea是一种无色、无味、低毒性、绝缘性好、无二次污染的气体,对大气臭氧层的耗损潜能值(ODP)为零,是卤代烷1211、130 -
手提式干粉灭火器
手提式干粉灭火器适灭火时,可手提或肩扛灭火器快速奔赴火场,在距燃烧处5米左右,放下灭火器。如在室外,应选择在上风方向喷射。使用的干粉灭火器若是外挂式储压式的,操作者应一手紧握喷枪、另一手提起储气瓶上的


