GB/T 10284-2016 林业机械 便携式风力灭火机 噪声的测定
- 发表时间:2022-11-13
- 来源:共立欧宝网页版登录入口
- 人气:
1 范围
本标准规定了以汽油机为动力的便携式风力灭火机(以下简称灭火机)A计权声功率级和耳旁噪声的测定方法。
本标准适用于林业机械便携式风力灭火机的噪声测定,也适用于林业机械便携式风力喷水灭火机的噪声测定。
2 规范性引用文件
下列文件对于本文件的应用是必不可少的。凡是注日期的引用文件,仅注日期的版本适用于本文件。凡是不注日期的引用文件,其最新版本(包括所有的修改单)适用于本文件。
GB/T 3785.1 电声学 声级计 第1部分:规范
GB/T 14574-2000 声学 机器和设备噪声发射值的标示和验证
GB/T 17248.2 声学 机器和设备发射的噪声 工作位置和其他指定位置发射声压级的测量一个反射面上方近似自由场的工程法
GB/T 20247 声学 混响室吸声测量
ISO 3744:2010 声学 声压法测定噪声源声功率级 反射面上方近似自由场的工程法(Acous-tics-Determination of sound power levels and sound energy levels of noise sources using sound pres-sure-Engineering methods for an essentially free field over a reflecting plane)
3 测定的参数
A计权和各频带(若需要)时间平均声压级,测定要求应符合ISO 3744:2010和GB/T 17248.2的规定。
A计权和各频带(若需要)声功率级及耳旁噪声。
4 测量仪器及精度
4.1 声级计
按GB/T 3785.1的规定使用积分平均声级计进行测量;或者按GB/T 3785.1的规定使用声级计“慢”档时间加权特性进行测量。
4.2 传声器
传声器直径应不大于13mm。为避免风噪声干扰,允许安装防风罩,但对测量结果的影响不应超过±0.5 dB。
4.3 转速计
转速计的测量误差应在读数的±1%内。
5 声学环境
5.1 背景噪声
在测定位置上,背景噪声A计权声级至少应比所测量的噪声值低10 dB。
5.2 环境条件
测试环境应符合如下要求:
a)环境条件应在测量仪器制造厂规定的限度内;
b)环境温度应在-10℃~40℃之间,风速应低于5m/s;
c)风速超过1m/s时,应使用传声器防风罩。
5.3 噪声测试场地
当场地地表面为天然草坪或类似植物时,测定结果的再现性误差往往超过2级精度要求,测定场地的地面应符合如下规定,在有争议时,测定应在室外和人造地表面上进行:
a)人造地表面应位于测试环境的中心,且放置在坚硬并具有声反射特性的基础面上,其尺寸应不小于3.6mx3.6m。为满足声学特性的要求,支撑结构可在适当的位置采用吸声材料。测试时应避免吸声材料被压缩。按GB/T 20247的规定进行测量,人造地表面的吸声系数应符合表1的规定。
表1 吸声系数
频率Hz | 吸声系数 | 误 差 |
125 250 500 1 000 2 000 4 000 | 0.1 0.3 0.5 0.7 0.8 0.9 | ±0.1 ±0.1 ±0.1 ±0.1 ±0.1 ±0.1 |
b) 场地内不得有任何障碍物,场地中心区地面应平坦且具有良好的吸声性能。地表面覆盖物可以是类似于森林中地面的覆盖物、草坪或其他植物,高度为50mm±20mm。地面可以覆盖雪,但不得有冰层。
6 测量方法
6.1 灭火机
被测的灭火机应是一台新的、正常生产并按使用说明书中规定装配标准部件的机器。按说明书要求试运转机器,调整化油器,预热发动机,使其满足试验要求。
6.2 仪器校准
每次测量前,应使用准确度不低于±0.5dB的声学校准器对整个测量系统(包括电缆)进行校准。校准前应使测量仪器的温度达到环境温度。
6.3 固定和方位
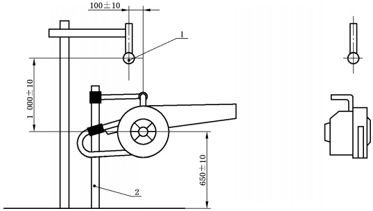
6.3.1 灭火机在测试支架上的固定
用一测试支架固定灭火机,如图1所示,支架应保持灭火机方位不变,并且不产生声反射。推荐采用有一定缓冲能力的支架,以免引起共振和回响现象。

a) 手持式灭火机

b) 背负式灭火机
单位为毫米
说明:
1-传声器;
2-测试支架;
3-背带支架。
图1 灭火机测试装置
灭火机固定后,风筒中心线处于水平状态,且应满足:
a) 对于手持式灭火机,测定时,风筒头部指向x轴正方向,灭火机前手把位于半球面中心的正上方,风扇的旋转中心距地面的高度为650mm±10mm,如图1a)所示;
b)对于背负式灭火机,测定时,风筒头部指向x轴正方向,灭火机背负支架位于半球面中心的正上方,灭火机的最低点距地面的距离为1010mm±10mm,如图1b)所示。
注:x轴见图2。
以上为标准部分内容,如需看标准全文,请到相关授权网站购买标准正版。
- 2023-08-22欧宝网页版登录入口维修保养记录
- 2023-08-22欧宝网页版登录入口设施维修维护
- 2023-08-19欧宝网页版登录入口水池维修
- 2023-08-19欧宝网页版登录入口水炮维修
- 2023-08-19欧宝网页版登录入口线路维修
- 2023-08-19欧宝网页版登录入口维保服务系统
- 2023-08-19欧宝网页版登录入口主机维修维保大全
- 2023-08-19欧宝网页版登录入口维保作用
- 2023-08-18欧宝网页版登录入口维保工作联系单
- 2023-08-18欧宝网页版登录入口维保每年都要做吗
- 2023-08-18 欧宝网页版登录入口维保技术服务
- 2023-08-18欧宝网页版登录入口主板维修
- 2023-08-18欧宝网页版登录入口维保软件
- 2023-08-18欧宝网页版登录入口维保规章制度
- 2023-08-17欧宝网页版登录入口检测和维保
- 2023-08-17欧宝网页版登录入口维保检查
-
IG541混合气体灭火系统
IG541混合气体灭火系统:IG-541灭火系统采用的IG-541混合气体灭火剂是由大气层中的氮气(N2)、氩气(Ar)和二氧化碳(CO2)三种气体分别以52%、40%、8%的比例混合而成的一种灭火剂 -
二氧化碳气体灭火系统
二氧化碳气体灭火系统:二氧化碳气体灭火系统由瓶架、灭火剂瓶组、泄漏检测装置、容器阀、金属软管、单向阀(灭火剂管)、集流管、安全泄漏装置、选择阀、信号反馈装置、灭火剂输送管、喷嘴、驱动气体瓶组、电磁驱动 -
七氟丙烷灭火系统
七氟丙烷(HFC—227ea)灭火系统是一种高效能的灭火设备,其灭火剂HFC—ea是一种无色、无味、低毒性、绝缘性好、无二次污染的气体,对大气臭氧层的耗损潜能值(ODP)为零,是卤代烷1211、130 -
手提式干粉灭火器
手提式干粉灭火器适灭火时,可手提或肩扛灭火器快速奔赴火场,在距燃烧处5米左右,放下灭火器。如在室外,应选择在上风方向喷射。使用的干粉灭火器若是外挂式储压式的,操作者应一手紧握喷枪、另一手提起储气瓶上的


