MT/T 1144-2011 采场钻孔水文远程监测设备
- 发表时间:2022-10-07
- 来源:共立欧宝网页版登录入口
- 人气:
1 范围
本标准规定了采场钻孔水文远程监测设备(以下简称水文遥测仪)的术语和定义、组成与分类、主要功能、要求、试验方法、检验规则、标志、包装、运输及贮存。
本标准适用于在煤矿矿区和煤矿井下使用的钻孔水位、水压监测设备。
2 规范性引用文件
下列文件中的条款通过本标准的引用而成为本标准的条款。凡是注日期的引用文件,其随后所有的修改单(不包括勘误的内容)或修订版均不适用于本标准,然而,鼓励根据本标准达成协议的各方研究是否可使用这些文件的最新版本。凡是不注日期的引用文件,其最新版本适用于本标准。
GB/T 191-2008 包装储运图示标志(ISO 780:1997,MOD)
GB/T 2829-2002 周期检验计数抽样程序及表(适用于对过程稳定性的检验)
GB 3836.1-2000 爆炸性气体环境用电气设备 第1部分:通用要求(eqv IEC 60079-0:1998)
GB 3836.4-2000 爆炸性气体环境用电气设备 第4部分: 本质安全型“i”(eqv IEC 60079-11: 1999)
GB 4208-2008 外壳防护等级(IP代码)(IEC 60529:2001,IDT)
GB/T 10111-2008 随机数的产生及其在产品质量抽样检验中的应用程序
GB/T 13384-2008 机电产品包装通用技术条件
MT 209-1990 煤矿通信、检测、控制用电工电子产品 通用技术条件
MT 210-1990 煤矿通信、检测、控制用电工电子产品 基本试验方法
MT/T 772-1998 煤矿监控系统主要性能测试方法
AQ 1043-2007 矿用产品安全标志标识
3 术语和定义
下列术语和定义适用于本标准。
3.1
水文要素 hydrology feature
用来描述煤矿开采关注的地下水水文现象的主要物理量。
注:通常指水位、水压、水温、流速、流量等参数。
3.2
水文监测 hydrology monitor
对煤矿采场水文要素的监视与检测。
3.3
水文遥测仪 hydrology parameter telemeter
对矿井上或矿井下被测水文参数做数据采集,数据远距离传输,对数据做记录、汇总、对比、预警和生成报表的系统设备。
3.4
传感器 sensor
能定量感受特定的被测水文参数的物理量,并按照一定规律转换成可用于传输的电信号的集成器件或装置。
3.5
变送器 transducer
将水文参数的物理量传感器的非标准电信号转换为标准电信号的仪表。
注:规定的工业标准信号一般为4 mA~20 mA或1 V~5 V。
3.6
遥测子站 telemetering station
安装在钻孔口,能够按控制采集水文参数,并存储和远距离传送的装置。
3.7
遥测分站 telemetering branch
能够连接多个遥测分站,与监测主站进行数据远程交换的装置。
3.8
监测中心站 monitoring centre station
具有对各遥测子站或分站发送测控指令和接收上传数据,对数据做处理、存储、管理、查询、对比,以图表、曲线等形式显示,并对数据做必要统计、分析、预警的水文监测中心主机及附件。
4 组成、分类和主要功能
4.1 组成
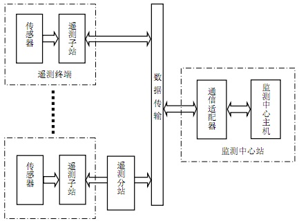
水文遥测仪由传感器、遥测子站、遥测分站、监测中心站、数据传输等设备组成。其基本原理结构如图1所示。最小系统设计应包括一个监测中心站和一个遥测站。

图1 有线遥测总线结构、主从工作方式图
4.2 分类
4.2.1 按使用环境分为:
a) 矿用防爆型:符合矿用本质安全型技术条件要求,可在煤矿井下环境使用的;
b) 地面普通型:适用于地面远程监测使用的;
c) 复合型:能够把矿用防爆型和地面普通型集中控制的。
4.2.2 按通讯方式分为:
a) 有线:采用电缆、光纤等实物介质连接,实现被检测钻孔到监测中心站远程数据传送;
b) 自动记录:对测量水文物理参数进行自动定时记录,由人定时或不定时收集;
c) 无线:采用无线电等无实物介质连接,实现被检测钻孔到监测中心站远程数据传送。
4.2.3 按连接分站的拓扑结构分为:
a) 单级结构:从远程遥测站到监测中心站直接实现数据传输;
b) 多级结构:从远程遥测站到监测中心站之间通过一级或多级分站连接实现数据传输。
4.3 主要功能
产品设计时应实现以下主要功能,并在产品说明书中列出:
a) 分站采样率大于10 Hz;
b) 水文遥测仪通信距离不小于5 km;
c) 水文遥测仪配置遥测分站和遥测子站的最少个数大于4个;
d) 各子站具有存储30 k样点以上的容量。中心站具有存储60 G的存储能力;
e) 水文遥测仪地面设备配有防雷保护装置,通讯系统与矿井下设备电器隔离。
5 要求
5.1 技术性能
5.1.1 传输速率
水文遥测仪传输速率一般应不小于2400 bps。
5.1.2 传输误码率
水文遥测仪传输误码率应不大于10-6。系统应采用可靠的容错技术,该技术性能要求在采用容错技术以后满足。
5.1.3 巡检周期
水文遥测仪应能通过监测中心实现对各遥测站构成进行远程采集。可以是逐个依次的巡检、也可以设定多点跟踪检测。巡检时间间隔可以采用多档设置,其最短时间间隔应满足:
a) 有线式水文遥测仪的巡检周期最短时间间隔应不大于30 s;
b) 无线式水文遥测仪的巡检周期最短时间间隔应不大于3 min。
5.1.4 测量误差
稳定水位、水压、水温参数的重复测量误差应小于满量程0.5%。
5.2 本安参数
水文遥测仪用于煤矿井下爆炸性环境的各设备部分的输入输出信号应是本质安全的,本安参数的最高开路电压和最大短路电流应由国家授权的电气防爆检验机构通过本安性能检验给定。
5.3 电源波动适应能力
采用电网供电的各设备部分的电压在标准电压值±20%的范围内变化时,水文遥测仪应符合5.1的规定。
5.4 外观
应符合MT 209-1990中第6章的规定。
5.5 结构
5.5.1 紧固件应有防止松动的措施。
5.5.2 金属零部件应进行防锈、防蚀处理。
5.5.3 井下设备部分的外壳应符合GB 3836.1-2000和GB 3836.4-2000的规定。采用绝缘材料外壳的表面绝缘电阻应小于109 Ω。
5.5.4 井下设备部分的机械结构应具有密封措施,地面室外设备部分应具有有效的防雨、防尘、防盗、防盐雾、防晒、防低温措施。
5.5.5 零部件、元器件及其它结构要求应符合MT209-1990中第7、8、9章的规定。
5.6 外壳防护
水文遥测仪用于井下的本安型设备的外壳防护能力应不低于IP54,用于井上的地面普通兼本安型设备的外壳防护能力一般应不低于IP43。
以上为标准部分内容,如需看标准全文,请到相关授权网站购买标准正版。
- 2023-08-22欧宝网页版登录入口维修保养记录
- 2023-08-22欧宝网页版登录入口设施维修维护
- 2023-08-19欧宝网页版登录入口水池维修
- 2023-08-19欧宝网页版登录入口水炮维修
- 2023-08-19欧宝网页版登录入口线路维修
- 2023-08-19欧宝网页版登录入口维保服务系统
- 2023-08-19欧宝网页版登录入口主机维修维保大全
- 2023-08-19欧宝网页版登录入口维保作用
- 2023-08-18欧宝网页版登录入口维保工作联系单
- 2023-08-18欧宝网页版登录入口维保每年都要做吗
- 2023-08-18 欧宝网页版登录入口维保技术服务
- 2023-08-18欧宝网页版登录入口主板维修
- 2023-08-18欧宝网页版登录入口维保软件
- 2023-08-18欧宝网页版登录入口维保规章制度
- 2023-08-17欧宝网页版登录入口检测和维保
- 2023-08-17欧宝网页版登录入口维保检查
-
IG541混合气体灭火系统
IG541混合气体灭火系统:IG-541灭火系统采用的IG-541混合气体灭火剂是由大气层中的氮气(N2)、氩气(Ar)和二氧化碳(CO2)三种气体分别以52%、40%、8%的比例混合而成的一种灭火剂 -
二氧化碳气体灭火系统
二氧化碳气体灭火系统:二氧化碳气体灭火系统由瓶架、灭火剂瓶组、泄漏检测装置、容器阀、金属软管、单向阀(灭火剂管)、集流管、安全泄漏装置、选择阀、信号反馈装置、灭火剂输送管、喷嘴、驱动气体瓶组、电磁驱动 -
七氟丙烷灭火系统
七氟丙烷(HFC—227ea)灭火系统是一种高效能的灭火设备,其灭火剂HFC—ea是一种无色、无味、低毒性、绝缘性好、无二次污染的气体,对大气臭氧层的耗损潜能值(ODP)为零,是卤代烷1211、130 -
手提式干粉灭火器
手提式干粉灭火器适灭火时,可手提或肩扛灭火器快速奔赴火场,在距燃烧处5米左右,放下灭火器。如在室外,应选择在上风方向喷射。使用的干粉灭火器若是外挂式储压式的,操作者应一手紧握喷枪、另一手提起储气瓶上的


