AQ 1076-2009 煤矿低浓度瓦斯管道输送安全保障系统设计规范
- 发表时间:2022-09-21
- 来源:共立欧宝网页版登录入口
- 人气:
1 范围
本标准规定了煤矿低浓度瓦斯管道输送安全保障系统设计时的基本规定、安全设施的安装要求等内容。
本标准适用于煤矿低浓度瓦斯管道输送的安全保障系统设计。
2 规范性引用文件
下列文件中的条款通过本标准的引用而成为本标准的条款。凡是注日期的引用文件,其随后所有的修改单(不包括勘误的内容)或修订版均不适用于本标准,然而,鼓励根据本标准达成协议的各方研究 是否可使用这些文件的最新版本。凡是不注日期的引用文件,其最新版本适用于本标准。
GB 50016 建筑设计防火规范
GB 50028 城镇燃气设计规范
GB 50057 建筑物防雷设计规范
GB 50160 石油化工企业设计防火规范
GB 50471 煤矿瓦斯抽采工程设计规范
AQ 1071 煤矿用非金属瓦斯输送管材安全技术要求
MT 209 煤矿通信、检测、控制用电工电子产品通用技术要求
CJJ 33 城镇燃气输配工程施工及验收规范
3 术语和定义
下列术语和定义适用于本标准。
3.1
煤矿低浓度瓦斯 low concentration gas of coal mine
甲烷体积浓度大于或等于3%且小于30%的煤矿瓦斯。
3.2
水封阻火泄爆装置 water sealing of fire barriering & explosion venting devices
采用水封消焰阻火、泄爆部件泄除爆炸压力,将管道内瓦斯爆炸控制在一定范围内的安全保障装置。
3.3
自动喷粉抑爆装置 automatic spurtting powder explosion suppression devices
通过对瓦斯管道燃烧或爆炸信息的探测,自动喷出干粉灭火剂将燃烧或爆炸传播过程中的火焰扑灭,抑制燃烧或爆炸火焰传播的装置。
3.4
自动阻爆装置 automatic preventing explosion devices
通过对瓦斯管道燃烧或爆炸火焰、压力等信息的探测,自动控制阻爆阀门动作,阻断燃烧爆炸火焰传播的装置。
3.5
脱水器 dehydration device
在细水雾与低浓度瓦斯混合物的输送末端将游离水分离出来的一种设备。
4 基本规定
4.1 煤矿低浓度瓦斯管道输送安全保障系统设计时应遵循“阻火泄爆、抑爆阻爆、多级防护、确保安全”的基本原则。
4.2 在煤矿低浓度瓦斯管道输送系统中靠近可能的火源点(发电机组、地面排空管口、自燃和易自燃煤层采空区抽瓦斯管入口等)附近管道上,应安设安全保障设施,确保管道输送安全。
4.3 发电用瓦斯管道输送系统中宜安设防逆流装置,防止抽采泵突然停泵而出现回流。
4.4 低浓度瓦斯管道输送系统不得设置缓冲罐。
4.5 加压设备应选择湿式压缩机。
4.6 抽采设备应选择湿式抽采泵。
4.7 正压输送时,输送压力不宜超过20kPa。
4.8 脱水器内应无机械运动零部件和电气部件。
4.9 在管道输送系统中应设置安全监测控制设施。安全监测控制设施除应符合MT 209的有关规定外,还应具有以下功能:
a)瓦斯管道输送安全保障设施的状态参数监测、显示及报警;
b)在发生瓦斯燃烧或爆炸时,监测控制设施应能控制安全保障设备快速启动,将瓦斯燃烧或爆炸控制在一定范围内。
4.10 安设在瓦斯输送管道上的所有安全设施应符合各自产品的通用技术条件。
4.11 安全保障设施安设段管道及附件应能承受正压2.5 MPa的压力,其他管道及附件应能承受正压l.OMPa、负压0.097 MPa的压力。安全保障设施安设段管道宜选用金属管道,当选用非金属管道时, 其管材还应符合AQ 1071的有关规定。
5 安全设施
5.1 内燃机瓦斯发电用管道输送
5.1.1 瓦斯发电用低浓度瓦斯管道输送安全保障设施应安设阻火泄爆、抑爆、阻爆三种不同原理的阻火防爆装置。阻火泄爆装置应选择水封阻火泄爆装置,抑爆装置可选择自动喷粉抑爆装置、细水雾输送 抑爆装置和气水两相流输送抑爆装置中的一种,阻爆装置应选择自动阻爆装置。
5.1.2 安全保障设施安设段为火焰传感器至自动阻爆装置之间的管道,安全保障设施的安装顺序为: 第一级阻火泄爆装置,第二级抑爆装置,第三级阻爆装置,其安装位置如图1所示。
5.1.3 监控用火焰、压力传感器安装在支管上脱水器的两侧。火焰传感器位于脱水器与发电机组之 间,距离脱水器2 m〜3 m;压力传感器位于脱水器与分管之间,距离脱水器1m〜2 m。
5.1.4 水封式阻火泄爆装置的安设位置距最远端支管的距离(沿管道轴向)应小于30 m。
5.1.5 水封式阻火泄爆装置应能自动控制水位,确保其有效阻火的水封高度。
5.1.6 抑爆装置选用自动喷粉抑爆装置时,其安设位置距离最近的火焰传感器的距离(沿管道轴向)为 40 m〜50 m;选用细水雾输送抑爆装置或气水两相流输送抑爆装置时,其安装始端距水封阻火泄爆装 置的距离不大于3 m。
5.1.7 自动阻爆装置距抑爆装置末端的距离不大于10 m。
5.1.8 安全保障设施任一装置的运行参数不能满足安全要求时,应能实现自动报警,并在3 min内关 停发电机组,同时打开瓦斯排空管。
5.1.9 安全保障设施安设段管道公称内径不大于500 mm。

图1 瓦斯发电利用系统安全设施安装示意图
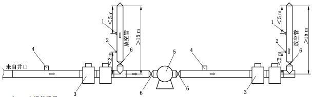
5.2 地面瓦斯排空
抽出的低浓度瓦斯不利用时,其地面排空管路应安设阻火泄爆、抑爆两种不同原理的阻火防爆 阻火泄爆装置宜采用水封式阻火泄爆装置,抑爆装置宜采用自动喷粉抑爆装置,其安设位置如图。
自动喷粉抑爆装置监控用火焰传感器安装在排空管上,距排空管出气口的距离(沿管道轴向)应自动喷粉抑爆装置的安设位置距火焰传感器的距离(沿管道轴向)为30 m〜60 m。

1——火焰传感器;
2——压力传感器;
3——水封阻火泄爆装置;
4——自动喷粉抑爆装置;
5——真空泵;
6——截止阀。
图2 地面瓦斯排空系统安全设施安装示意图
5.3 采空区抽采用低浓度瓦斯管道输送
5.3.1 易自燃、自燃煤层的井下采空区低浓度瓦斯抽采,应在靠近抽采地点的管道上安设抑爆装置。抑爆装置宜采用自动喷粉抑爆装置。
以上为标准部分内容,如需看标准全文,请到相关授权网站购买标准正版。
- 2023-08-22欧宝网页版登录入口维修保养记录
- 2023-08-22欧宝网页版登录入口设施维修维护
- 2023-08-19欧宝网页版登录入口水池维修
- 2023-08-19欧宝网页版登录入口水炮维修
- 2023-08-19欧宝网页版登录入口线路维修
- 2023-08-19欧宝网页版登录入口维保服务系统
- 2023-08-19欧宝网页版登录入口主机维修维保大全
- 2023-08-19欧宝网页版登录入口维保作用
- 2023-08-18欧宝网页版登录入口维保工作联系单
- 2023-08-18欧宝网页版登录入口维保每年都要做吗
- 2023-08-18 欧宝网页版登录入口维保技术服务
- 2023-08-18欧宝网页版登录入口主板维修
- 2023-08-18欧宝网页版登录入口维保软件
- 2023-08-18欧宝网页版登录入口维保规章制度
- 2023-08-17欧宝网页版登录入口检测和维保
- 2023-08-17欧宝网页版登录入口维保检查
-
IG541混合气体灭火系统
IG541混合气体灭火系统:IG-541灭火系统采用的IG-541混合气体灭火剂是由大气层中的氮气(N2)、氩气(Ar)和二氧化碳(CO2)三种气体分别以52%、40%、8%的比例混合而成的一种灭火剂 -
二氧化碳气体灭火系统
二氧化碳气体灭火系统:二氧化碳气体灭火系统由瓶架、灭火剂瓶组、泄漏检测装置、容器阀、金属软管、单向阀(灭火剂管)、集流管、安全泄漏装置、选择阀、信号反馈装置、灭火剂输送管、喷嘴、驱动气体瓶组、电磁驱动 -
七氟丙烷灭火系统
七氟丙烷(HFC—227ea)灭火系统是一种高效能的灭火设备,其灭火剂HFC—ea是一种无色、无味、低毒性、绝缘性好、无二次污染的气体,对大气臭氧层的耗损潜能值(ODP)为零,是卤代烷1211、130 -
手提式干粉灭火器
手提式干粉灭火器适灭火时,可手提或肩扛灭火器快速奔赴火场,在距燃烧处5米左右,放下灭火器。如在室外,应选择在上风方向喷射。使用的干粉灭火器若是外挂式储压式的,操作者应一手紧握喷枪、另一手提起储气瓶上的


