AQ 1100-2014 煤矿许用炸药井下可燃气安全度试验方法和判定规则
- 发表时间:2022-09-10
- 来源:共立欧宝网页版登录入口
- 人气:
1 范围
本标准规定了煤矿许用炸药井下可燃气安全度的术语和定义、符号、技术要求、试验方法和判定规则。
本标准适用于煤矿许用炸药。
2 规范性引用文件
下列文件对于本文件的应用是必不可少的。凡是注日期的引用文件,仅所注日期的版本适用于本文件。凡是不注日期的引用文件,其最新版本(包括所有的修改单)适用于本文件。
GB 8031 工业电雷管
3 术语和定义
下列术语和定义适用于本文件。
3.1
标准引火量 standard mean
各安全度等级引火量标准值。
3.2
定量分析法 quantitative analysis method
被测量值为一固定量时,对测量结果进行分析判断的一种试验方法。
3.3
过量氮 excess nitrogen
井下可燃气中超过正常大气氮氧比的氮气含量。
4 符号
下列符号适用于本文件。
M:标准引火量,单位为克(g);
m:定量试验水平, 单位为克(g)。
5 可燃气安全度等级划分
煤矿许用炸药井下可燃气安全度等级分为一、二、三级。各级标准引火量值见表1。
表1 煤矿许用炸药井下可燃气安全度等级和适用范围
等级 | 一级 | 二级 | 三级 |
标准值M,g | 100 | 180 | 400 |
试验方式 | 发射臼炮 | 发射臼炮 | 发射臼炮 |
适用范围 | 低甲烷矿井岩石掘进工作面 | 低甲烷矿井煤层采掘工作面 | 高甲烷矿井;低甲烷矿井高甲烷采掘工作面;煤油共生矿井;煤与煤层气突出矿井 |
6 试验方法
6.1 原理
在规定条件下,将固定量受试炸药置于发射臼炮炮孔内引爆,根据试验巷道内可燃气混合气体引燃结果,得出引燃频数,以此判定炸药的井下可燃气安全度。
6.2 试验设计
试验设计方案如下:
a) 抽样方案: 5/0,1;
b) 试验水平:取固定试验水平m=M;
6.3 材料
试验用材料如下:
a) 试验用井下可燃气:试验过程中,当甲烷浓度为9.0%时,其他可燃气体含量总和应不大于0.3%,二氧化碳和过量氮含量总和应不大于1.0%。
b) 雷管:符合GB 8031规定的煤矿许用瞬发电雷管。
6.4 仪器、装置
6.4.1 仪器
试验用仪器如下:
a) 甲烷测定器:分度值应不大于0.1%;
b) 温度计:分度值应不大于1℃;
c) 湿度计:分度值应不大于1%;
d) 天平:感量应不大于1g。
6.4.2 装置
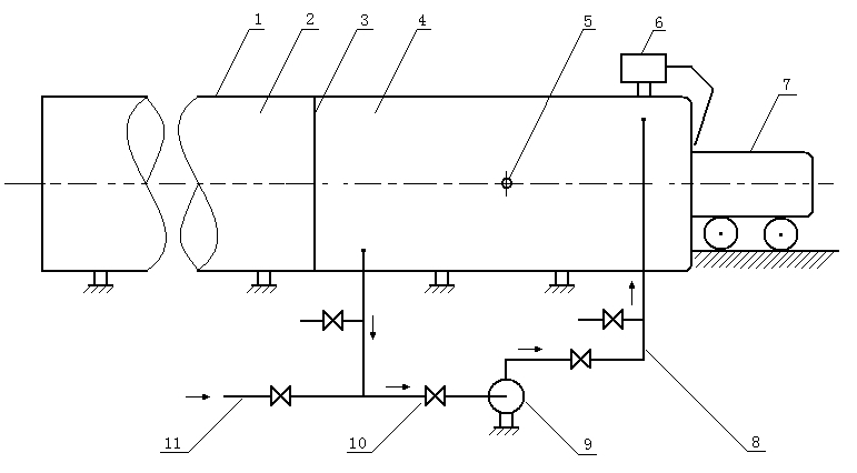
井下可燃气安全度试验装置,主要由试验巷道、气体混合管路、混合通风机、排烟通风机及控制系统组成,见图1。

1—试验巷道
2—延长室
3—封闭装置
4—爆炸室
5—测量孔
6—排烟风机
7—发射臼炮
8—循环管路
9—循环风机
10—阀门
11—可燃气进气管
图1 井下可燃气安全度试验装置示意图
试验用装置如下:
a) 试验巷道为钢制圆筒,分爆炸室和延长室两部分,水平放置,内径为1.8m,爆炸室长度为5m,容积为12.8m3,爆炸室的封闭端中心有圆口,敞口端设有封闭装置。延长室长度为15m,与爆炸室敞口端相衔接;
b) 气体混合管路由进气管、回气管及阀门等组成。进气管由靠近爆炸室封闭端上部引入,回气管由靠近爆炸室敞口端下部引出。在进气管路和回气管路上应分别装有阀门;
c) 发射臼炮为钢制圆柱体,由内筒和外套构成。其内筒凸出,套有密封胶垫,中心轴向开有炮孔。外套材料可选用普通碳钢,内筒材料宜使用PNi3CrMoV炮钢,炮孔初始体积规定为(2138±10)mL。规格尺寸见图2。
d) 混合通风机为防爆离心式,风量应不小于1330 m3/h,全压应不小于950Pa;
e) 排烟通风机为防爆轴流式,风量应不小于9200 m3/h,全压应不小于380Pa;
f) 控制系统包括液压系统、电气系统、空调系统及参数测试系统。
以上为标准部分内容,如需看标准全文,请到相关授权网站购买标准正版。
- 2023-08-22欧宝网页版登录入口维修保养记录
- 2023-08-22欧宝网页版登录入口设施维修维护
- 2023-08-19欧宝网页版登录入口水池维修
- 2023-08-19欧宝网页版登录入口水炮维修
- 2023-08-19欧宝网页版登录入口线路维修
- 2023-08-19欧宝网页版登录入口维保服务系统
- 2023-08-19欧宝网页版登录入口主机维修维保大全
- 2023-08-19欧宝网页版登录入口维保作用
- 2023-08-18欧宝网页版登录入口维保工作联系单
- 2023-08-18欧宝网页版登录入口维保每年都要做吗
- 2023-08-18 欧宝网页版登录入口维保技术服务
- 2023-08-18欧宝网页版登录入口主板维修
- 2023-08-18欧宝网页版登录入口维保软件
- 2023-08-18欧宝网页版登录入口维保规章制度
- 2023-08-17欧宝网页版登录入口检测和维保
- 2023-08-17欧宝网页版登录入口维保检查
-
IG541混合气体灭火系统
IG541混合气体灭火系统:IG-541灭火系统采用的IG-541混合气体灭火剂是由大气层中的氮气(N2)、氩气(Ar)和二氧化碳(CO2)三种气体分别以52%、40%、8%的比例混合而成的一种灭火剂 -
二氧化碳气体灭火系统
二氧化碳气体灭火系统:二氧化碳气体灭火系统由瓶架、灭火剂瓶组、泄漏检测装置、容器阀、金属软管、单向阀(灭火剂管)、集流管、安全泄漏装置、选择阀、信号反馈装置、灭火剂输送管、喷嘴、驱动气体瓶组、电磁驱动 -
七氟丙烷灭火系统
七氟丙烷(HFC—227ea)灭火系统是一种高效能的灭火设备,其灭火剂HFC—ea是一种无色、无味、低毒性、绝缘性好、无二次污染的气体,对大气臭氧层的耗损潜能值(ODP)为零,是卤代烷1211、130 -
手提式干粉灭火器
手提式干粉灭火器适灭火时,可手提或肩扛灭火器快速奔赴火场,在距燃烧处5米左右,放下灭火器。如在室外,应选择在上风方向喷射。使用的干粉灭火器若是外挂式储压式的,操作者应一手紧握喷枪、另一手提起储气瓶上的


