MT 495-1995 刮板输送机用紧链器
- 发表时间:2022-08-28
- 来源:共立欧宝网页版登录入口
- 人气:
1 主题内容与适用范围
本标准规定了刮板输送机用紧链器的型式与参数、技术要求、试验方法与检验规则、标志、包装、运 输和储存。
本标准适用于刮板输送机、转载机、刨煤机用紧链器(以下称紧链器)。
2 引用标准
GB 191 包装储运图示标志
GB 1239.2 冷卷圆柱螺旋压缩弹簧技术条件
GB 2828 逐批检查计数抽样及抽样表(适用于连接批的检查)
GB 5676 一般工程用铸造碳钢
GB 5763 汽车用制动器衬片
建标48石棉刹车带
3 产品型式与参数
3.1 产品型式:
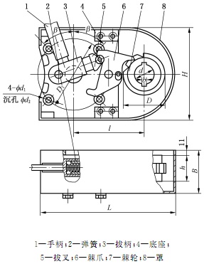
紧链器分为三种型式即闸盘式紧链器、闸带式紧链器和棘轮式紧链器,见图1、图2、图3。

图1 闸盘紧链器

图2 闸带紧链器

图3 棘轮紧链器
3.2 性能和尺寸参数见表1、表2、表3。
表1 闸盘紧链器
配单速电动机 | 配双速电动机 | 闸块尺寸 | 联接尺寸 | 适用电机 功率kW | |||||
闸紧转矩N - m | 闸盘直径 D | 闸紧转矩N - m | 闸盘直径 D | B | R | r | L±0. 5 | b | |
1200 | 400 | — | — | 126 | 195 | 150 | 180 (218) | 109 | 90、110、 132160 |
1450 | 480 | 1450 | 400 | 90、110、132、 160200 | |||||
1600 | 520 | 1500 | 495 | ||||||
1900 | 630 | 1900 | 625 | 132、160、 200250 | |||||
4600 | 4600 | 200 | 310 | 240 | 295 | 58 | 200、250、315、 375425500 | ||
注:①在适用电机功率范围内尽量选取小直径闸盘。
②带括号的尺寸尽量不选用。
表2 闸带紧链器
闸紧 转矩 N - m | 制动轮尺寸 | 外形尺寸 | 与减速器二轴端联接尺寸 | 适用电 机功率 kW | ||||||||
D | d H10 | h d11 | b ±0.0215 | 键数 | H 最大 | L 最大 | D1 | d1 | d2 | B | ||
1200 | 190 | 50 | 71 | 16 | 单 | 126 | 315 | 150 | 14 | 36 | 45。 | 11、15、 2230 |
164 | 10 | 40 | 40° | 4055 | ||||||||
1700 | 280 | 70 | 81 | 18 | 双 | 126 | 375 | 216 | 10 | 40 | 45。 | 75 |
表3 棘轮紧链器
间紧 转矩 N - m | 棘轮尺寸 | 联接尺寸 | 外形尺寸 | 适用电 机功率 | ||||||||||
D | d H8 | h | b ±0.0215 | 键数 | D1 | d1 | d2 | l | B | L | H | B | ||
最大 | ||||||||||||||
350 | 100 | 45 | 62 | 14 | 单 | 144 | 14 | 26 | 147 | 45。 | 315 | 215 | 80 | 1115 2230 |
100 | 55 | 62 | 16 | 双 | 170 | 14 | 26 | 172 | 450 | 330 | 245 | 105 | ||
4 技术要求
4.1 紧链器应符合本标准的要求,并按照经规定程序批准的图样和技术文件制造。
4.2 材料:
4.2.1 紧链器所使用的材料及外购件应符合国家、行业标准的有关规定,并必须具备合格证或足以证明其合格的文件。
4.2.2 钳臂用抗拉强度不低于600 N/mm2的材料,也允许用GB 5676中的ZG 270-500或ZG 310-570铸钢,不得用铸铁件代替。
4.2.3 棘轮、插爪、铰轴及拉杆应采用抗拉强度不低于600 N/mm2的材料制造。
4.2.4 制动弹簧用机械性能不低于碳素弹簧钢丝B的材料制造。
以上为标准部分内容,如需看标准全文,请到相关授权网站购买标准正版。
- 2023-08-22欧宝网页版登录入口维修保养记录
- 2023-08-22欧宝网页版登录入口设施维修维护
- 2023-08-19欧宝网页版登录入口水池维修
- 2023-08-19欧宝网页版登录入口水炮维修
- 2023-08-19欧宝网页版登录入口线路维修
- 2023-08-19欧宝网页版登录入口维保服务系统
- 2023-08-19欧宝网页版登录入口主机维修维保大全
- 2023-08-19欧宝网页版登录入口维保作用
- 2023-08-18欧宝网页版登录入口维保工作联系单
- 2023-08-18欧宝网页版登录入口维保每年都要做吗
- 2023-08-18 欧宝网页版登录入口维保技术服务
- 2023-08-18欧宝网页版登录入口主板维修
- 2023-08-18欧宝网页版登录入口维保软件
- 2023-08-18欧宝网页版登录入口维保规章制度
- 2023-08-17欧宝网页版登录入口检测和维保
- 2023-08-17欧宝网页版登录入口维保检查
-
IG541混合气体灭火系统
IG541混合气体灭火系统:IG-541灭火系统采用的IG-541混合气体灭火剂是由大气层中的氮气(N2)、氩气(Ar)和二氧化碳(CO2)三种气体分别以52%、40%、8%的比例混合而成的一种灭火剂 -
二氧化碳气体灭火系统
二氧化碳气体灭火系统:二氧化碳气体灭火系统由瓶架、灭火剂瓶组、泄漏检测装置、容器阀、金属软管、单向阀(灭火剂管)、集流管、安全泄漏装置、选择阀、信号反馈装置、灭火剂输送管、喷嘴、驱动气体瓶组、电磁驱动 -
七氟丙烷灭火系统
七氟丙烷(HFC—227ea)灭火系统是一种高效能的灭火设备,其灭火剂HFC—ea是一种无色、无味、低毒性、绝缘性好、无二次污染的气体,对大气臭氧层的耗损潜能值(ODP)为零,是卤代烷1211、130 -
手提式干粉灭火器
手提式干粉灭火器适灭火时,可手提或肩扛灭火器快速奔赴火场,在距燃烧处5米左右,放下灭火器。如在室外,应选择在上风方向喷射。使用的干粉灭火器若是外挂式储压式的,操作者应一手紧握喷枪、另一手提起储气瓶上的


