GB/T 5137.2-2020 汽车安全玻璃试验方法 第2部分:光学性能试验
- 发表时间:2023-03-15
- 来源:共立欧宝网页版登录入口
- 人气:
1 范围
GB/T 5137的本部分规定了汽车用安全玻璃的可见光透射比试验、副像偏离试验、光畸变试验和可见光反射比试验的方法。
本部分适用于汽车安全玻璃的试验。
2 规范性引用文件
下列文件对于本文件的应用是必不可少的。凡是注日期的引用文件,仅注日期的版本适用于本文件。凡是不注日期的引用文本,其最新版本(包括所有的修改单)适用于本文件。
QC/T 1119 汽车安全玻璃术语(QC/T 1119-2019,ISO 3536:2016,MOD)
3 术语和定义
QC/T 1119界定的术语和定义适用于本文件。
4 试验条件
除特殊规定外,试验应在下述环境条件下进行:
a)环境温度:20℃±5℃;
b)气压:8.60×104Pa~1.06×105Pa;
c)相对湿度:40%~80%。
5 可见光透射比试验
5.1 试验目的
测定安全玻璃是否具有一定的规则透射比。
5.2 试样
应使用制品或试验片,试验片可以从制品上相应试验区域切取。试验前,试样应清洁干净,不应有污物和结露。
5.3 试验设备
5.3.1 光源:钨丝灯,其灯丝在1.5mmx1.5mmx3mm的平行六面体内,或加限定光阑。光源光谱分布应符合CIE标准照明体A的相对光谱功率分布。加于灯丝两端的电压应使色温为2856K±50K,电压应稳定在±0.1%范围内。
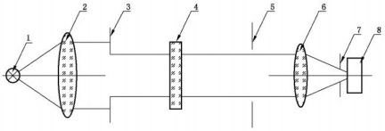
5.3.2 光学系统:其测试原理示意图见图1。由焦距f不小于500mm并经过色差校正的两个透镜L1和L2组成。透镜的相对口径不超过f/20。透镜L1与光源之间的距离应能调节,以便获得基本平行的光束。在离透镜L1100mm±50mm处远离光源的一侧装一光阑A1,把光束的直径限制在7mm±1mm内。第二个光阑A2,应放在与L1具有相同性能的透镜L2前,光源的成像应位于接收器的中心。第三个光阑A3,其直径稍大于光源像最大尺寸的横断面,应放在接收器前,以避免由试样产生的散射光落到接收器上。测量点应位于光束中心。

说明:
1——光源;
2——透镜L1;
3——光阑A1;
4——试样;
5——光阑A2;
6-透镜L2;
7——光阑A3;
8——接收器。
图1 光学系统测试原理示意图
5.3.3 测量装置:接收器的相对光谱灵敏度应与CIE1931光谱光视效率相一致。接收器的敏感表面应以散射介质覆盖,且至少应是光源像最大尺寸横断面的两倍。若使用积分球,则球的入射孔直径至少应为光源像最大尺寸横断面的两倍。
接收器及配套指示仪器的线性不应大于满刻度的±2%或读数数值的±10%,选择小值。
5.4 试验程序
5.4.1 打开仪器电源,试样放入光路前,调整接收器显示值至100。遮挡光路,调整接收器显示值为0。
5.4.2 把试样放入光阑A1和A2之间,通过调整试样方位使光束与玻璃表面入射角为90°±5°。
5.4.3 测定试样的可见光透射比,读取接收器显示值n,结果保留1位小数。可见光透射比r,等于n/100。
6 副像偏离试验
6.1 试验目的
测定主像与副像间的角偏差。
6.2 试样
以制品为试样。
6.3 试验方法
可采用两种试验方法:
a) 靶试验;
b) 准直望远镜试验。
6.4 靶试验
6.4.1 试验设备
试验设备应由以下几部分构成:
a)靶式光源仪:由约300mm×300mm×150mm的光盒制成,其前面蒙有不透明黑纸或涂有无光泽黑漆的玻璃制成的靶,可选择图2中的任意一种。光盒内使用合适的光源照明,内表面涂无光泽白色涂层。
b) 试样支架:可将试样以实车安装角安放并可在水平及垂直方向转动和移动。
单位为毫米

说明:
1——环靶中的环;
2——点环靶中的环;
3——点环靶的中心点;
D——对于环靶,为环的外径;对于点环靶,为点环靶的中心点外缘到环内侧最近的一点之间的距离;
d——环的外径与内径之差,为2mm。
图2 靶的示意图
图2中,D由式(1)得出:
D=1 000xtann
式中:
D——对于环靶,为环的外径;对于点环靶,为点环靶的中心点外缘到环内侧最近的一点之间的距离,单位为毫米(mm);
x——试样与靶间距离,单位为米(m);
η——副像偏离的极限值,单位为分(')。
6.4.2 试验程序
6.4.2.1 按图3设置试样。将仪器设置在暗室或暗处以便观察。试样与靶间距离不应小于7m。
6.4.2.2 将试样在水平方向回转,保证被测点的水平切线与观察方向基本垂直,并在水平和垂直方向移动,以观察整个试验区域,见图4。观察者距离试样的距离应尽量接近实车乘坐人与玻璃之间的距离,透过试样进行观察,也可使用单筒望远镜进行观察。
6.4.2.3 对于环靶,记录环的副像与环是否完全分离,即是否超过极限值η。
6.4.2.4 对于点环靶,记录位于靶式光源仪中央的光斑的副像是否超过与圆环内缘相切的点,即是否超过极限值。
以上为标准部分内容,如需看标准全文,请到相关授权网站购买标准正版。
- 2023-08-22欧宝网页版登录入口维修保养记录
- 2023-08-22欧宝网页版登录入口设施维修维护
- 2023-08-19欧宝网页版登录入口水池维修
- 2023-08-19欧宝网页版登录入口水炮维修
- 2023-08-19欧宝网页版登录入口线路维修
- 2023-08-19欧宝网页版登录入口维保服务系统
- 2023-08-19欧宝网页版登录入口主机维修维保大全
- 2023-08-19欧宝网页版登录入口维保作用
- 2023-08-18欧宝网页版登录入口维保工作联系单
- 2023-08-18欧宝网页版登录入口维保每年都要做吗
- 2023-08-18 欧宝网页版登录入口维保技术服务
- 2023-08-18欧宝网页版登录入口主板维修
- 2023-08-18欧宝网页版登录入口维保软件
- 2023-08-18欧宝网页版登录入口维保规章制度
- 2023-08-17欧宝网页版登录入口检测和维保
- 2023-08-17欧宝网页版登录入口维保检查
-
IG541混合气体灭火系统
IG541混合气体灭火系统:IG-541灭火系统采用的IG-541混合气体灭火剂是由大气层中的氮气(N2)、氩气(Ar)和二氧化碳(CO2)三种气体分别以52%、40%、8%的比例混合而成的一种灭火剂 -
二氧化碳气体灭火系统
二氧化碳气体灭火系统:二氧化碳气体灭火系统由瓶架、灭火剂瓶组、泄漏检测装置、容器阀、金属软管、单向阀(灭火剂管)、集流管、安全泄漏装置、选择阀、信号反馈装置、灭火剂输送管、喷嘴、驱动气体瓶组、电磁驱动 -
七氟丙烷灭火系统
七氟丙烷(HFC—227ea)灭火系统是一种高效能的灭火设备,其灭火剂HFC—ea是一种无色、无味、低毒性、绝缘性好、无二次污染的气体,对大气臭氧层的耗损潜能值(ODP)为零,是卤代烷1211、130 -
手提式干粉灭火器
手提式干粉灭火器适灭火时,可手提或肩扛灭火器快速奔赴火场,在距燃烧处5米左右,放下灭火器。如在室外,应选择在上风方向喷射。使用的干粉灭火器若是外挂式储压式的,操作者应一手紧握喷枪、另一手提起储气瓶上的


