GB/T 31301.2-2015 制鞋机械 安全要求 第2部分:钉跟机
- 发表时间:2023-03-14
- 来源:共立欧宝网页版登录入口
- 人气:
1 范围
GB/T 31301的本部分规定了钉跟机所涉及的设计和结构方面的安全要求。本部分包含操作者对机器的预期使用及可预见的误用所产生的与钉跟机相关的全部重大危险、危险状态和危险事件(参见附录A)。
本部分适用于制鞋工业使用的半自动钉跟机和全自动钉跟机。
2 规范性引用文件
下列文件对于本文件的应用是必不可少的。凡是注日期的引用文件,仅注日期的版本适用于本文件。凡是不注日期的引用文件,其最新版本(包括所有的修改单)适用于本文件。
GB/T 3766-2001 液压系统通用技术条件
GB 5226.1-2008 机械电气安全 机械电气设备 第1部分:通用技术条件
GB/T 7932-2003 气动系统通用技术条件
GB/T 8196-2003 机械安全 防护装置 固定式和活动式防护装置设计与制造一般要求
GB 14048.4-2010 低压开关设备和控制设备 第4-1部分:接触器和电动机起动器 机电式接触器和电动机起动器(含电动机保护器)
GB 14048.5-2008 低压开关设备和控制设备 第5-1部分:控制电路电器和开关件 机电式控制电路电器
GB/T 15706-2012 机械安全 设计通则 风险评估与风险减小
GB 16754-2008 机械安全 急停 设计原则
GB/T 16855.1-2008 机械安全 控制系统有关安全部件 第1部分:设计通则
GB/T 17454.2-2008 机械安全 压敏保护装置 第2部分:压敏边和压敏棒的设计和试验通则
GB 18209.1-2000 机械电气安全 指示、标志和操作 第1部分:关于视觉、听觉和触觉信号的要求
GB/T 18717.1-2002 用于机械安全的人类工效学设计 第1部分:全身进入机械的开口尺寸确定原则
GB/T 18717.2-2002 用于机械安全的人类工效学设计 第2部分:人体局部进入机械的开口尺寸确定原则
GB/T 19670-2005 机械安全 防止意外启动
GB/T 19671-2005 机械安全 双手操纵装置 功能状况及设计原则
GB/T 19876-2012 机械安全 与人体部位接近速度相关的安全防护装置的定位
GB 23821-2009 机械安全 防止上下肢触及危险区的安全距离
GB/T 25078.1-2010 声学 低噪声机器和设备设计实施建议 第1部分:规划
ISO 9355-1:1999 显示和控制调节器设计的人类工效学要求 第1部分:用户与显示和控制致动器的相互作用(Ergonomic requirements for the design of displays and control actuators-Part 1:Hu-man interactions with displays and control actuators)
ISO 9355-2:1999 显示和控制调节器设计的人类工效学要求 第2部分:显示(Ergonomic re-quirements for the design of displays and control actuators-Part 2: Displays)
ISO 9355-3:2006 显示和控制调节器设计的人类工效学要求 第3部分:控制致动器(Ergonomicrequirements for the design of displays and control actuators-Part 3:Control actuators)
EN 12545:2000 制鞋、制革和人造革机械 噪声测试规范一般要求(Footwear,leather andlimitation leather goods manufacturing machines-Noise test code-Common requirements)
3 术语和定义
GB/T 15706-2012界定的以及下列术语和定义适用于本文件。
3.1
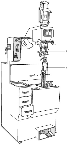
半自动钉跟机 semi-automatic heel nailing machine
采用手动放钉,自动打钉将鞋跟与鞋底连接的机器。
注:见图1。
3.2
全自动钉跟机 full automatic heel nailingmachine
采用自动送钉装置放钉,且自动打钉将鞋跟与鞋底连接的机器。
注:见图2。
3.3
固定机构 hold down
在鞋底定位和打钉的过程中用来固定鞋跟的夹持机构。
注:见图1、图2中区域1。
3.4
打钉支架 nailing jack
驱动器将钉子钉进鞋底/鞋跟之前放入钉子的机构。
注:见图1、图2中区域2。
3.5
输钉器 loader arm
将钉子输送至打钉支架的机构。
注:见图2中区域3。
3.6
钉盒 loader
提供钉子给输钉器的容器。
注:见图2中区域4。
3.7
自动循环 automatic cycle
由单一控制信号触发的包括夹紧、打钉、松开、装钉等动作的一个循环过程。

说明:
1——区域1:固定机构;
2——区域2:打钉支架。
图1 半自动钉跟机
以上为标准部分内容,如需看标准全文,请到相关授权网站购买标准正版。
- 2023-08-22欧宝网页版登录入口维修保养记录
- 2023-08-22欧宝网页版登录入口设施维修维护
- 2023-08-19欧宝网页版登录入口水池维修
- 2023-08-19欧宝网页版登录入口水炮维修
- 2023-08-19欧宝网页版登录入口线路维修
- 2023-08-19欧宝网页版登录入口维保服务系统
- 2023-08-19欧宝网页版登录入口主机维修维保大全
- 2023-08-19欧宝网页版登录入口维保作用
- 2023-08-18欧宝网页版登录入口维保工作联系单
- 2023-08-18欧宝网页版登录入口维保每年都要做吗
- 2023-08-18 欧宝网页版登录入口维保技术服务
- 2023-08-18欧宝网页版登录入口主板维修
- 2023-08-18欧宝网页版登录入口维保软件
- 2023-08-18欧宝网页版登录入口维保规章制度
- 2023-08-17欧宝网页版登录入口检测和维保
- 2023-08-17欧宝网页版登录入口维保检查
-
IG541混合气体灭火系统
IG541混合气体灭火系统:IG-541灭火系统采用的IG-541混合气体灭火剂是由大气层中的氮气(N2)、氩气(Ar)和二氧化碳(CO2)三种气体分别以52%、40%、8%的比例混合而成的一种灭火剂 -
二氧化碳气体灭火系统
二氧化碳气体灭火系统:二氧化碳气体灭火系统由瓶架、灭火剂瓶组、泄漏检测装置、容器阀、金属软管、单向阀(灭火剂管)、集流管、安全泄漏装置、选择阀、信号反馈装置、灭火剂输送管、喷嘴、驱动气体瓶组、电磁驱动 -
七氟丙烷灭火系统
七氟丙烷(HFC—227ea)灭火系统是一种高效能的灭火设备,其灭火剂HFC—ea是一种无色、无味、低毒性、绝缘性好、无二次污染的气体,对大气臭氧层的耗损潜能值(ODP)为零,是卤代烷1211、130 -
手提式干粉灭火器
手提式干粉灭火器适灭火时,可手提或肩扛灭火器快速奔赴火场,在距燃烧处5米左右,放下灭火器。如在室外,应选择在上风方向喷射。使用的干粉灭火器若是外挂式储压式的,操作者应一手紧握喷枪、另一手提起储气瓶上的


